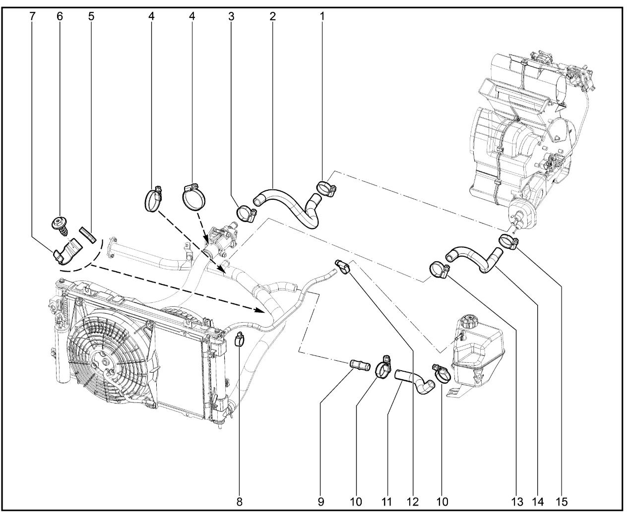
| № | Наименование детали | Артикул | Дополнительный артикул |
|---|---|---|---|
| 1 | Хомут пружинный | 21900130008710 | 8450074709 |
| 2 | Шланг отопителя подводящий | 21900810120020 | 8450074050 |
| 3 | Хомут винтовой в сборе | 21080130008060 | 8450001025 |
| 4 | Хомут винтовой в сборе | 21080130008070 | 8450001132 |
| 5 | Профиль защитный | 11190130030100 | 8450002916 |
| 6 | Винт самонарезающий с шестигранной головкой 6х17,5 | 7703017104 | |
| 7 | Кронштейн поддерживающий трубопровода | 21900130015610 | 8450002915 |
| 8 | Скоба 20х3 Табл.14564 | 00001004570180 | 8450001142 |
| 9 | Патрубок соединительный | 21230101405920 | 8450058380 |
| 11 | Шланг заправочный системы охлаждения | 21900130308020 | 8450003763 |
| 12 | Хомут винтовой в сборе | 21080130008040 | 8450001131 |
| 14 | Шланг отопителя отводящий | 21900810120420 | 8450074051 |
Поделиться с соц.сетях:
Обнаружили ошибку? Выделите ее и нажмите Ctrl+Enter..
Быстрая регистрация через соц.сети: