| № | Наименование детали | Артикул | Дополнительный артикул |
|---|---|---|---|
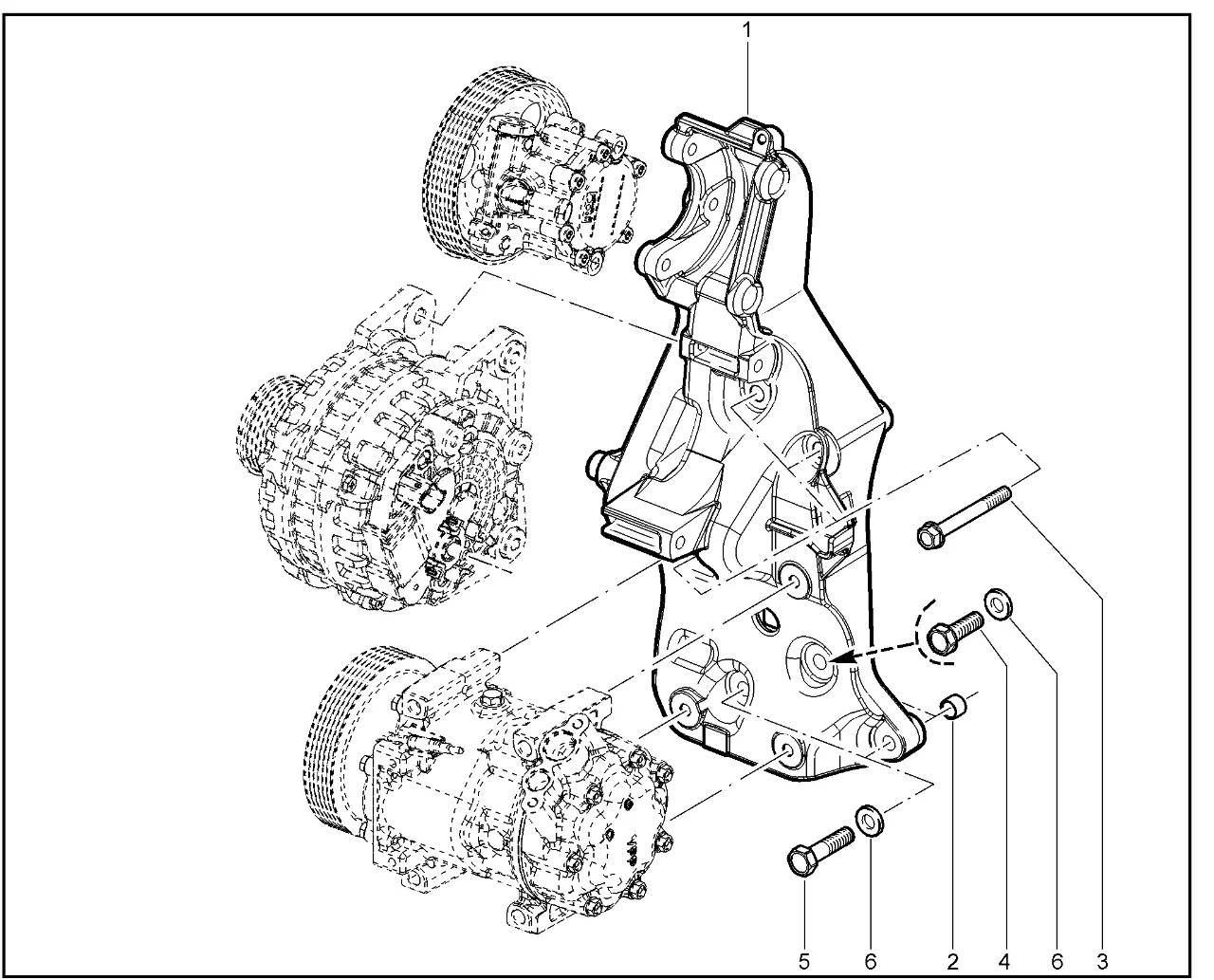
| 1 | Кронштейн вспомогательных агрегатов | 11189104113200 | 8450102428 |
| 1 | Кронштейн вспомогательных агрегатов в сборе | 8450121013 | |
| 2 | Втулка установочная | 21120100136400 | 8450075111 |
| 2 | Втулка установочная | 8450120199 | |
| 3 | Болт | 21100100115900 | 8450055008 |
| 4 | Болт М10х1,25x35 | 00001005970921 | 8450006076 |
| 5 | Болт М10х1.25х45 | 00001001234721 | 8450006034 |
| 6 | Шайба 10 | 00001001198373 | 8450001072 |
Поделиться с соц.сетях:
Обнаружили ошибку? Выделите ее и нажмите Ctrl+Enter..
Быстрая регистрация через соц.сети: