0 товаров – 0
Ваша корзина пуста

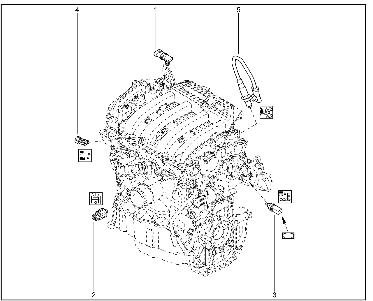
    Датчики управления двигателем (K4M) Lada Largus


    Наименование детали Артикул Дополнительный артикул
    1 Датчик давления впускного воздуха 223650035R
    1 Датчик давления впускного воздуха 223658286R
    1 Датчик давления впускного воздуха 8200719629
    2 Датчик детонации 8200680689
    3 Датчик температуры охлаждающей жидкости 226306024R
    4 Датчик температуры впускного воздуха 7700101451
    5 Датчик концентрации кислорода 8201071311
    Расшифровка сокращений каталога

    Поделиться с соц.сетях:

    Обнаружили ошибку? Выделите ее и нажмите Ctrl+Enter..

    Комментарии

    Быстрый вход:

    или

    Вопросы не относящиеся к статье/новости просьба задавать на форуме

Поиск статей и новостей:
Поиск деталей:

    Используете ли Вы противотуманные фары?


    Голосовать
Этот сайт использует cookie для хранения данных. Продолжая использовать сайт, Вы даете свое согласие на работу с этими файлами.