0 товаров – 0
Ваша корзина пуста

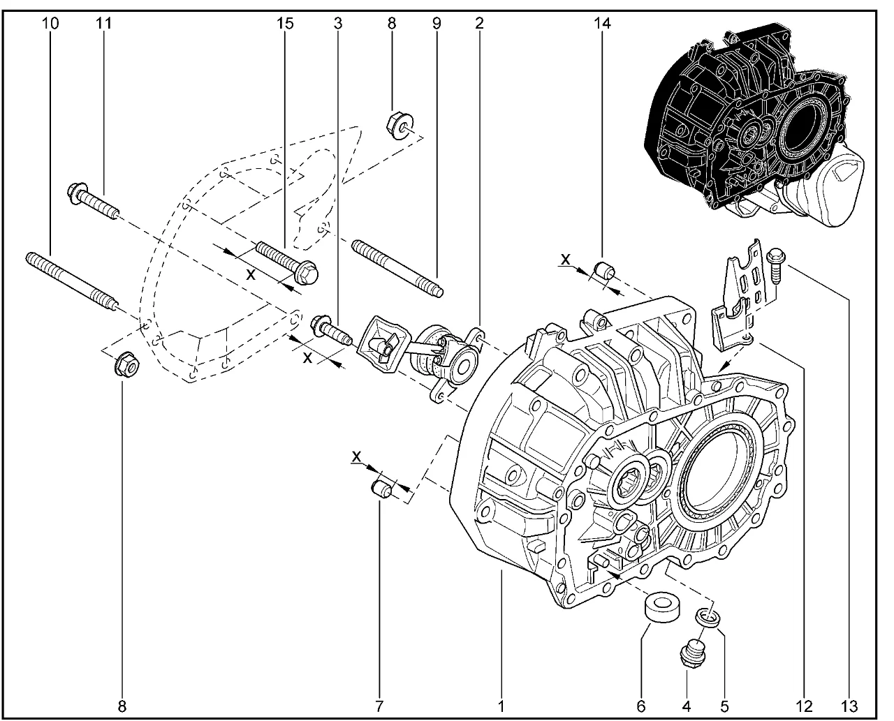
    Картер сцепления


    Наименование детали Артикул Дополнительный артикул
    1 Картер сцепления 7701477503
    1 Картер сцепления 7701478631
    2 Подшипник выжимной гидравлический 306205482R
    2 Подшипник выжимной гидравлический 306206219R
    3 Болт M8х125х29 крепления рабочего цилиндра 7703002751
    4 Пробка М16х150 сливная 7703075347
    5 Кольцо уплотнительное 7703062062
    6 Магнит 7700688654
    7 Штифт центрирующий 7705010130
    8 Гайка крепления стойки выпускного коллектора 7703033148
    9 Шпилька M10х150х78 крепления коробки передач к двигателю 7703027524
    11 Болт M10х40 7703002889
    12 Кронштейн крепления троса привода управления коробкой передач 344142205R
    12 Кронштейн крепления троса привода управления коробкой передач 8200449303
    13 Болт M8х126х33 8200830421
    14 Втулка 10,4х13 центрирующая картер сцепления и стартер 7705010087
    15 Болт М10х1,5х92,5 7703002721
    Расшифровка сокращений каталога

    Поделиться с соц.сетях:

    Обнаружили ошибку? Выделите ее и нажмите Ctrl+Enter..

    Комментарии

    Быстрый вход:

    или

    Вопросы не относящиеся к статье/новости просьба задавать на форуме

Главные новости:
ТОП товаров в магазине (еще)

    Нравятся ли вам ДХО в виде ангельских глазок?


    Голосовать
Этот сайт использует cookie для хранения данных. Продолжая использовать сайт, Вы даете свое согласие на работу с этими файлами.