0 товаров – 0
Ваша корзина пуста

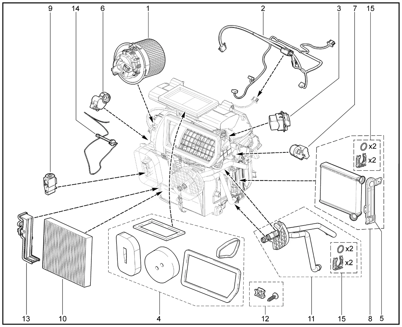
    Отопитель (деталировка) Lada Vesta


    Наименование детали Артикул Дополнительный артикул
    1 Электровентилятор отопителя (без кондиционера) 8450022021
    1 Электровентилятор отопителя 8450022022
    1 Электровентилятор отопителя (с КУ) 8450022023
    1 Электровентилятор отопителя (без кондиционера) 8450039716
    2 Жгут проводов отопителя (Комфорт) 8450039717
    2 Жгут проводов отопителя (Люкс) 8450039718
    2 Жгут проводов отопителя (Классик) 8450039728
    2 Жгут проводов отопителя (с климат контролем) 8460009196
    2 Жгут проводов отопителя (Люкс) 8460012918
    2 Жгут проводов отопителя (Комфорт) 8460017293
    3 Модуль электронный управления электровентилятором 8450022026
    3 Модуль электронный управления электровентилятором 8450039719
    3 Регулятор частоты вращения вентилятора линейный 8460017290
    3 Резистор добавочный управления электровентилятором 8460017292
    4 Комплект уплотнительных прокладок отопителя на корпусе отопителя 8450039735
    4 Комплект уплотнительных прокладок отопителя на корпусе отопителя 8450103740
    5 КРЫШКА РАДИАТОРА ОТОПИТЕЛЯ 8450022031
    6 Моторедуктор воздухосмешения/распределения 8450039724
    7 Моторедуктор приточный воздух/рециркуляция 8450039725
    7 Моторедуктор заслонки рециркуляции 8460017291
    8 Комплект радиатора отопителя 8450039726
    8 Комплект радиатора отопителя (механический) 8450104093
    8 Комплект радиатора отопителя 8460018335
    9 Комплект клапана ТРВ 8450039727
    10 Фильтр салонный 272773277R
    10 Фильтр салонный 8450039731
    11 Трубки отводящая/подводящая 8450039732
    11 Трубки подводящая/отводящая радиатора отопителя 8450104094
    12 Комплект крепежа кондиционера 8450039733
    12 Комплект крепежа кондиционера 8450104101
    13 Крышка лючка фильтра 8450039730
    14 Датчик температуры испарителя 240411268R
    15 Комплект фиксации трубки радиатора (2 клипсы, 2 кольца) 8460019011
    Расшифровка сокращений каталога

    Поделиться с соц.сетях:

    Обнаружили ошибку? Выделите ее и нажмите Ctrl+Enter..

    Комментарии

    Быстрый вход:

    или

    Вопросы не относящиеся к статье/новости просьба задавать на форуме

Поиск статей и новостей:
Поиск деталей:

    Какой клиренс на вашем автомобиле?


    Голосовать
Этот сайт использует cookie для хранения данных. Продолжая использовать сайт, Вы даете свое согласие на работу с этими файлами.