0 товаров – 0
Ваша корзина пуста

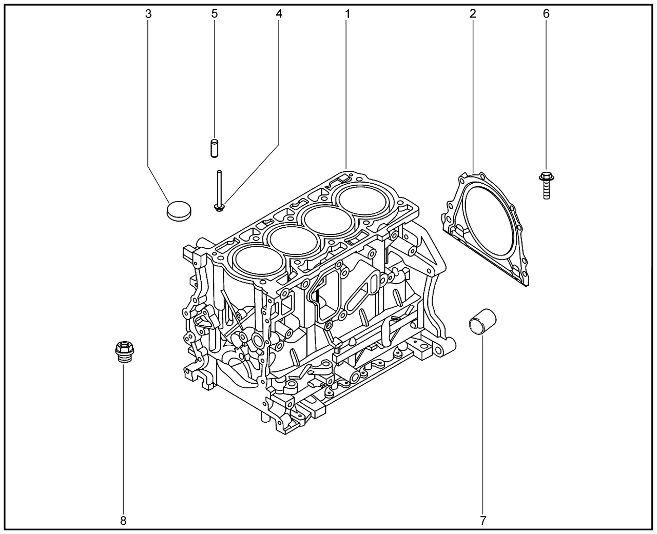
    Блок цилиндров для XCITE X-Cross 8, Chery Tiggo 8 Pro


    Наименование детали Артикул Дополнительный артикул
    1 Блок цилиндров 8460017540
    2 Крышка заднего сальника вала коленчатого 8460017947
    3 Заглушка 8460014417
    3 Заглушка 8460015228
    4 Болт 8460017467
    5 Штифт установочный 6x10 8460015337
    6 Болт М8х30 8460015385
    7 Втулка установочная 8460014558
    8 Пробка сливная 8460014153
    8 Пробка сливная 8460014969
    Расшифровка сокращений каталога

    Поделиться с соц.сетях:

    Обнаружили ошибку? Выделите ее и нажмите Ctrl+Enter..

    Комментарии

    Быстрый вход:

    или

    Вопросы не относящиеся к статье/новости просьба задавать на форуме

Поиск статей и новостей:
Поиск деталей:

    Пользуетесь ли Вы прокатом автомобилей?


    Голосовать
Этот сайт использует cookie для хранения данных. Продолжая использовать сайт, Вы даете свое согласие на работу с этими файлами.