
Ремонт или тюнинг автомобиля в определенных случаях тесно связан с электрикой. Например, восстановление машины после ДТП или установка нового электрооборудования не обходится без вмешательства в проводку. Поэтому перед началом работ рекомендуется изучить электросхемы автомобиля. Далее представлены электрические схемы Нивы Шевроле (LADA), разработанные ООО «Интегромаш» по заказу ЗАО «Джи Эм - АВТОВАЗ» 2016г.
Принципиальные схемы электрических соединений ШевиНива различаются в зависимости от варианта исполнения (L, LC, GLS, GLC, GL, LE и LE+), а также от кода комплектации и периода выпуска.
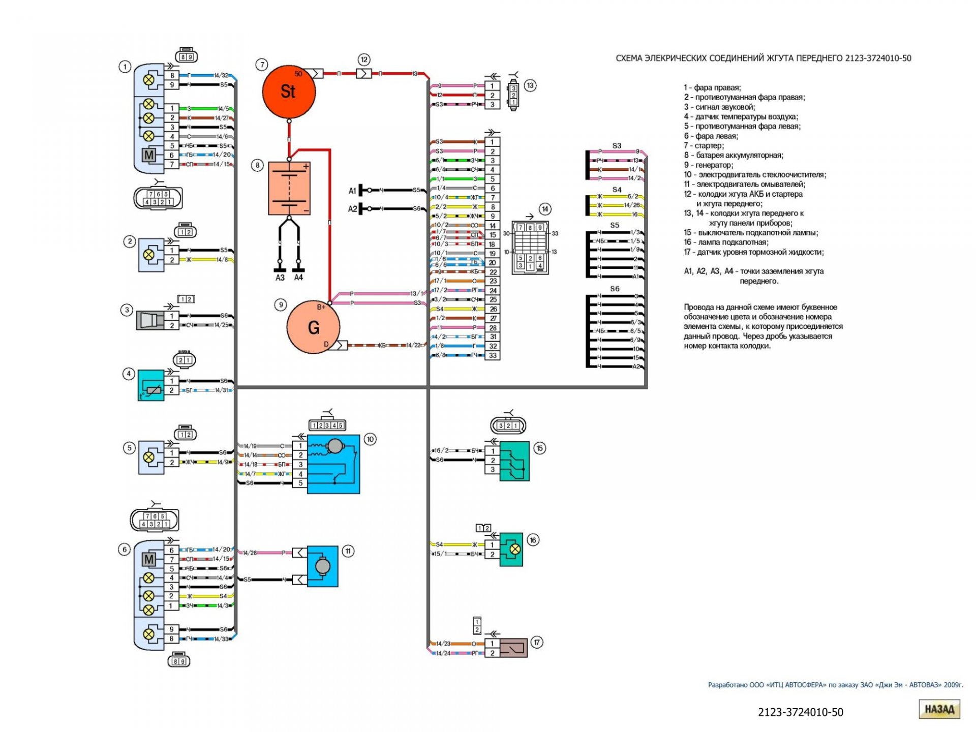
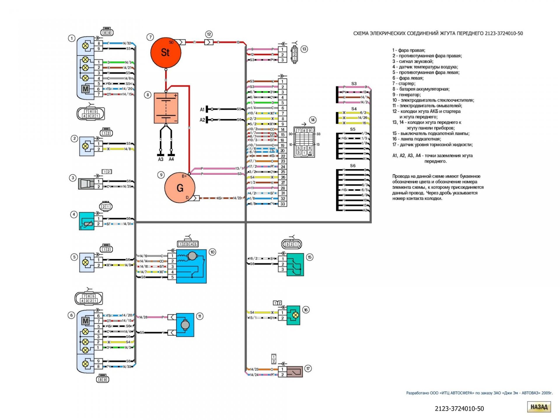
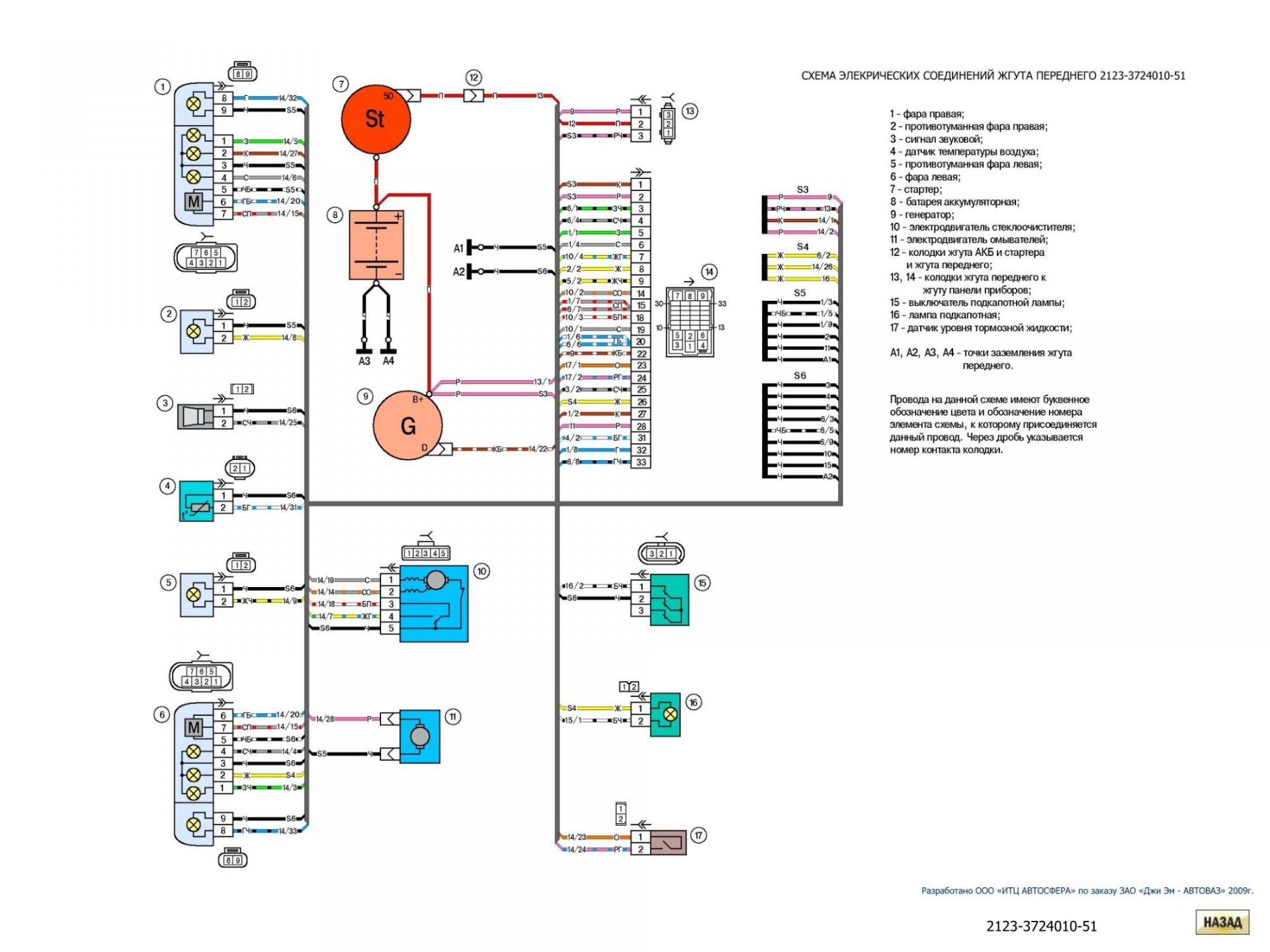
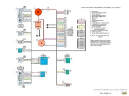
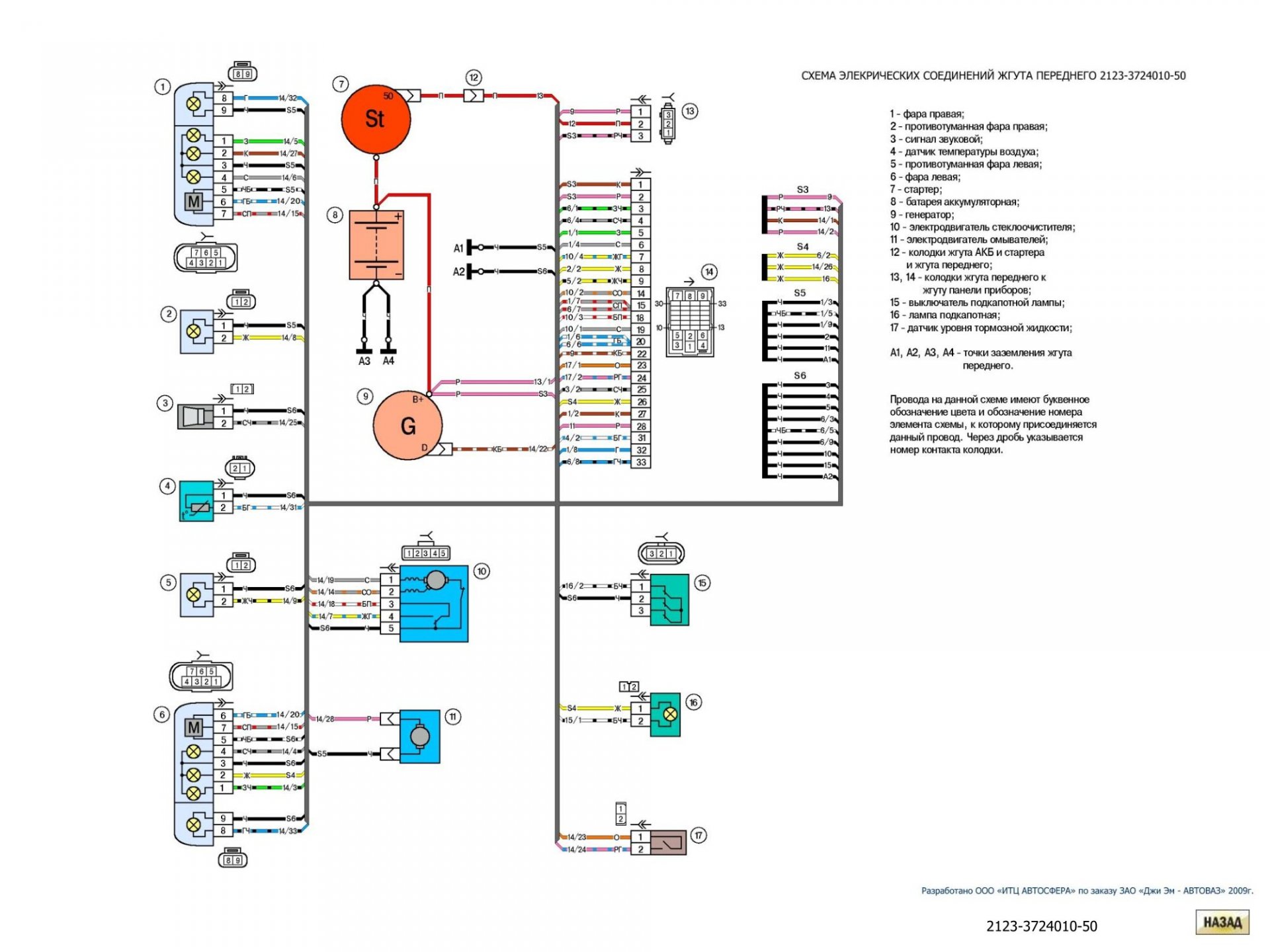
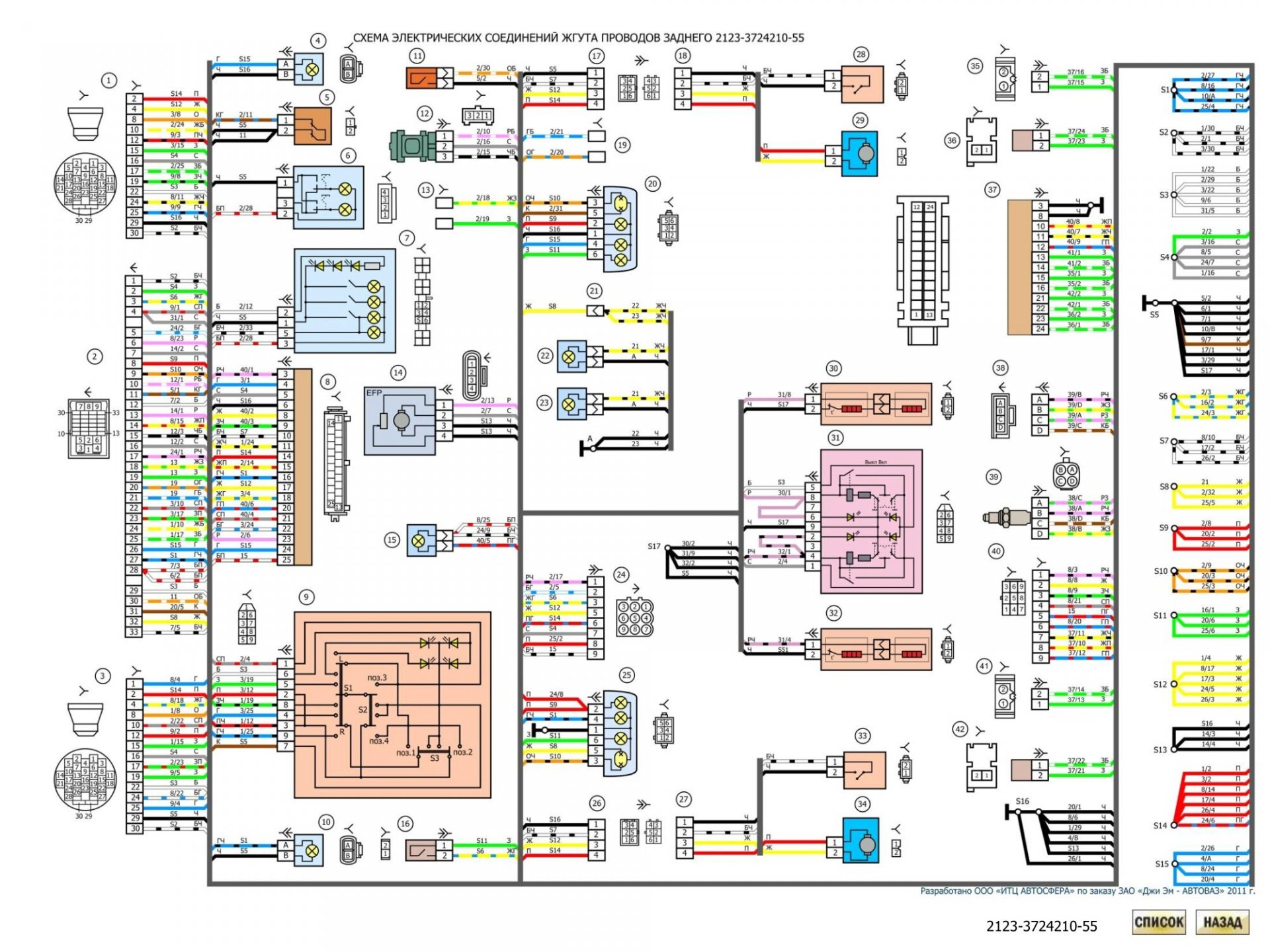
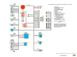
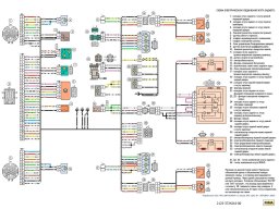
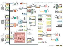
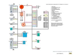
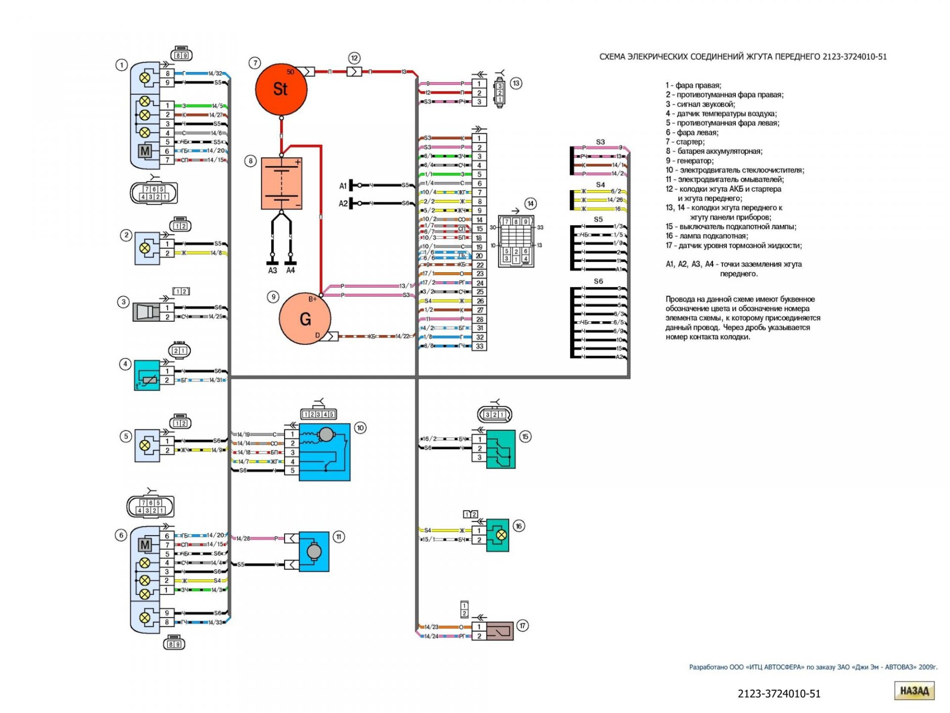
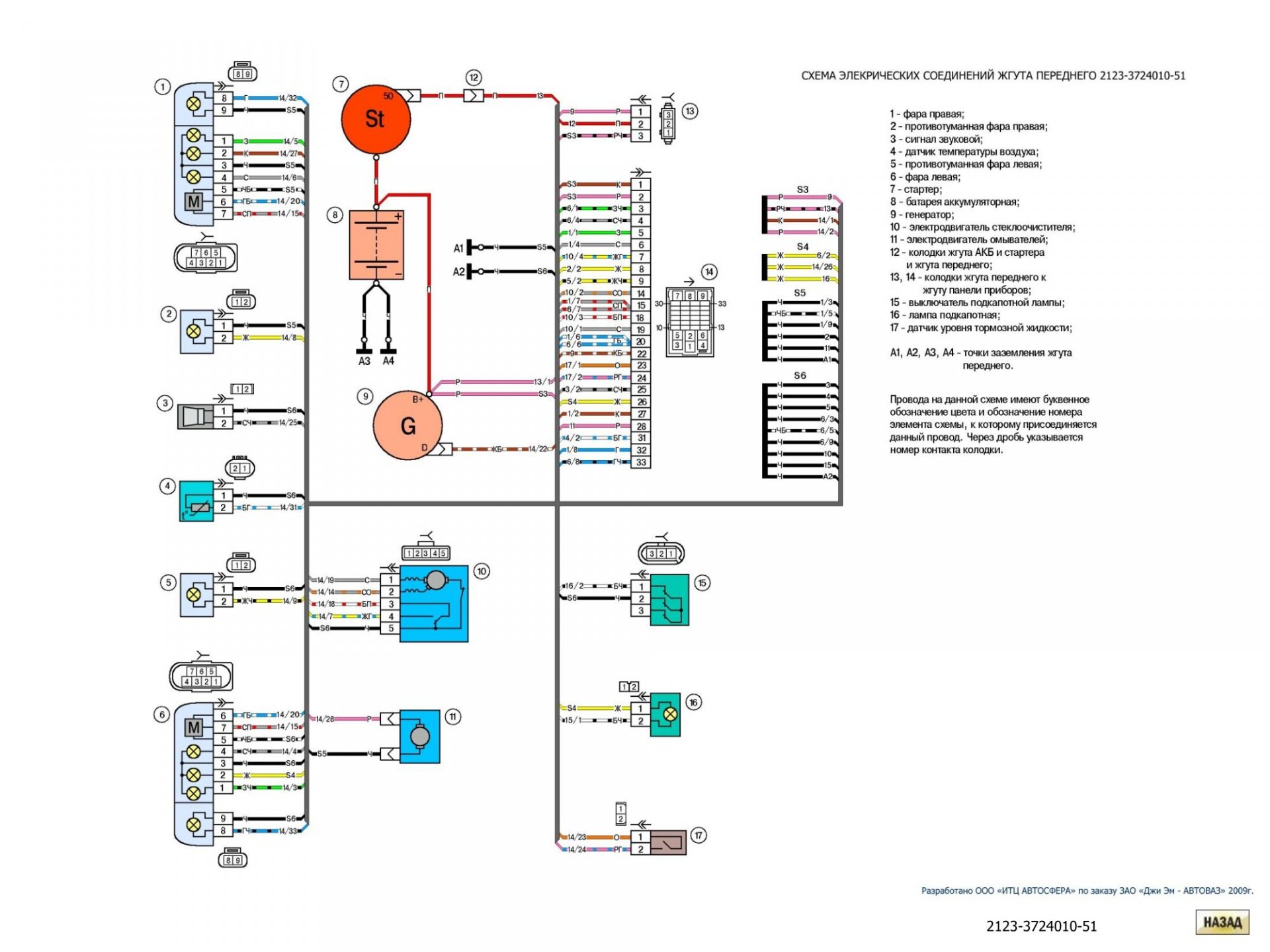
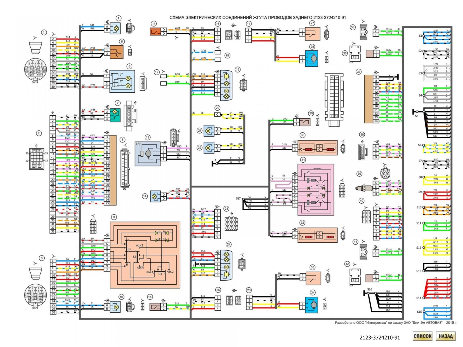
В перечне схемы электрических соединений жгута:
Все электросхемы Нива Шевроле под спойлером (много фото, открывается спойлер долго):
Также вы можете скачать электрические схемы для Нива Шевроле в зависимости от электронного блока управления двигателем (ЭБУ):
Ссылка на архив: https://yadi.sk/d/hZmqpQ8jIzZ7Pg
Обн.06.03.2026: В архиве:
Ссылка https://disk.yandex.ru/d/LgaA1fH8ERPibQ
Другую справочную информацию по Niva Chevrolet вы найдете тут.
Быстрая регистрация через соц.сети: