
В ходе эксплуатации автомобиля владельцы с автоматической трансмиссией могут столкнутся с различными неисправностями в работе системы управления двигателем. Одной из популярных проблем является ошибка Р1564. Все причины этого недуга описаны в технологической инструкции завода, которой руководствуются официальные дилерские центры LADA.
Расшифровка ошибки Р1564 - Система управления приводом дроссельной заслонки, адаптация положения нуля заслонки прервана в связи с пониженным напряжением бортсети.
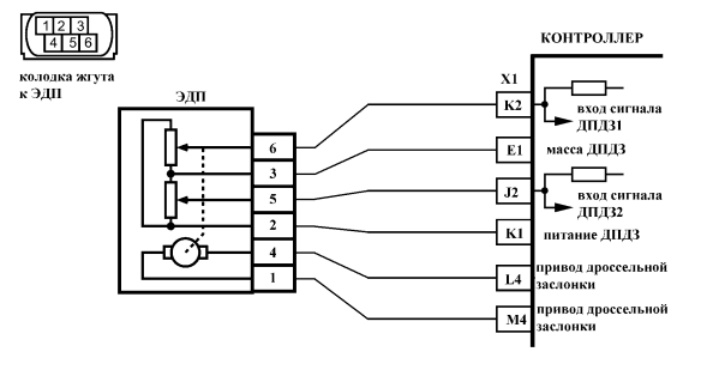
Схемы:
Код Р1564 заносится, если:
Сигнализатор неисправностей загорается через 5 c после возникновения кода неисправности.
Диагностическая информация
При обнаружении неисправности Р1564 система управления двигателем будет работать в штатном режиме, для расчета положения дроссельной заслонки будут использоваться значения, полученные в предыдущей процедуре адаптации.
Диагностический прибор в режиме "Мониторинг сигналов" отображает процент открытия дроссельной заслонки (параметр "Положение дроссельной заслонки").
При включении зажигания контроллер проводит:
Если контроллер новый (адаптация проводится в первый раз), то все вышеописанные процедуры выполняются сразу после включения зажигания в течение 1,5 секунд.
Если контроллер был обучен ранее, то сразу после включения зажигания выполняется тест возвратной пружины.
Остальные процедуры будут выполнены в течение следующих 30 секунд, если в это время не будет нарушено ни одно из условий:
Если электропривод дроссельной заслонки обесточен, с помощью прямой и возвратной пружин дроссельная заслонка удерживается в положении Limp home (6-7%).
Порядок действий:
1. Подключить диагностический прибор. Включить зажигание. Выбрать на диагностическом приборе режим "Коды неисправностей". Проверить, фиксируются ли одновременно с кодом Р1564 коды Р0560, Р0562?
2. Выполняется проверка цепей питания контроллера. Проверить состояние и надежность крепления клемм к АКБ. Выполнить проверку силовых цепей и цепи управления главным реле. Устранить обнаруженные неисправности. Выполнить процедуру адаптации нуля дроссельной заслонки и убедиться в отсутствии неисправности.
После ремонта запустить двигатель, сбросить коды и убедиться в отсутствии неисправности
А вы сталкивались с ошибкой Р1564 ? В чем была причина неисправности?
Ключевые слова: ЭСУД Лада Веста | ЭСУД Lada XRAY | ЭСУД Лада Гранта | ЭСУД Лада Калина | ЭСУД Лада Приора | ЭСУД Лада Ларгус | ЭСУД 4х4 | эсуд нива
Быстрая регистрация через соц.сети: