Здравствуйте.
Подскажите, какая схема на блок управления М74.9 автомобиля Лада нива 4/4 2023 год подключение автокондиционера?
Также решаем эту проблему:
Быстрый вход:
или
Вопросы не относящиеся к статье/новости просьба задавать на форуме
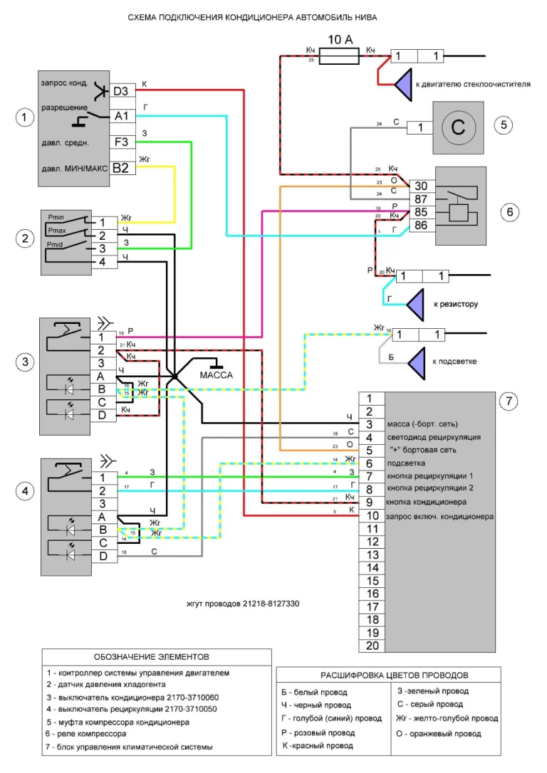
схема
По этой схеме установили кондиционер не включается
схема рабочая
значит проблема в чем то другом, может быть недостаточно масла в компрессоре.
Принудительно работает , холодит , а через блок управления подключать не работает
Добрый день.
Какого кондиционера? Штатного заводского? или Фрост?
Фрост
Товары для LADA по лучшей цене
Найдем любую оригинальную деталь для LADA
Блок-фара (LED) для Lada Niva Travel
Нагревательный элемент зоны щётки стеклоочистителя
Дефлектор вытяжной вентиляции кузова для Lada Granta, Kalina, Priora, Datsun
Набивная проставка между сидением и центральной консолью Lecar универсальные
Комплект торпедо нового образца, воздуховоды, отопитель, бардачок, проводка Lada
Быстрая регистрация через соц.сети: