0 товаров – 0
Ваша корзина пуста

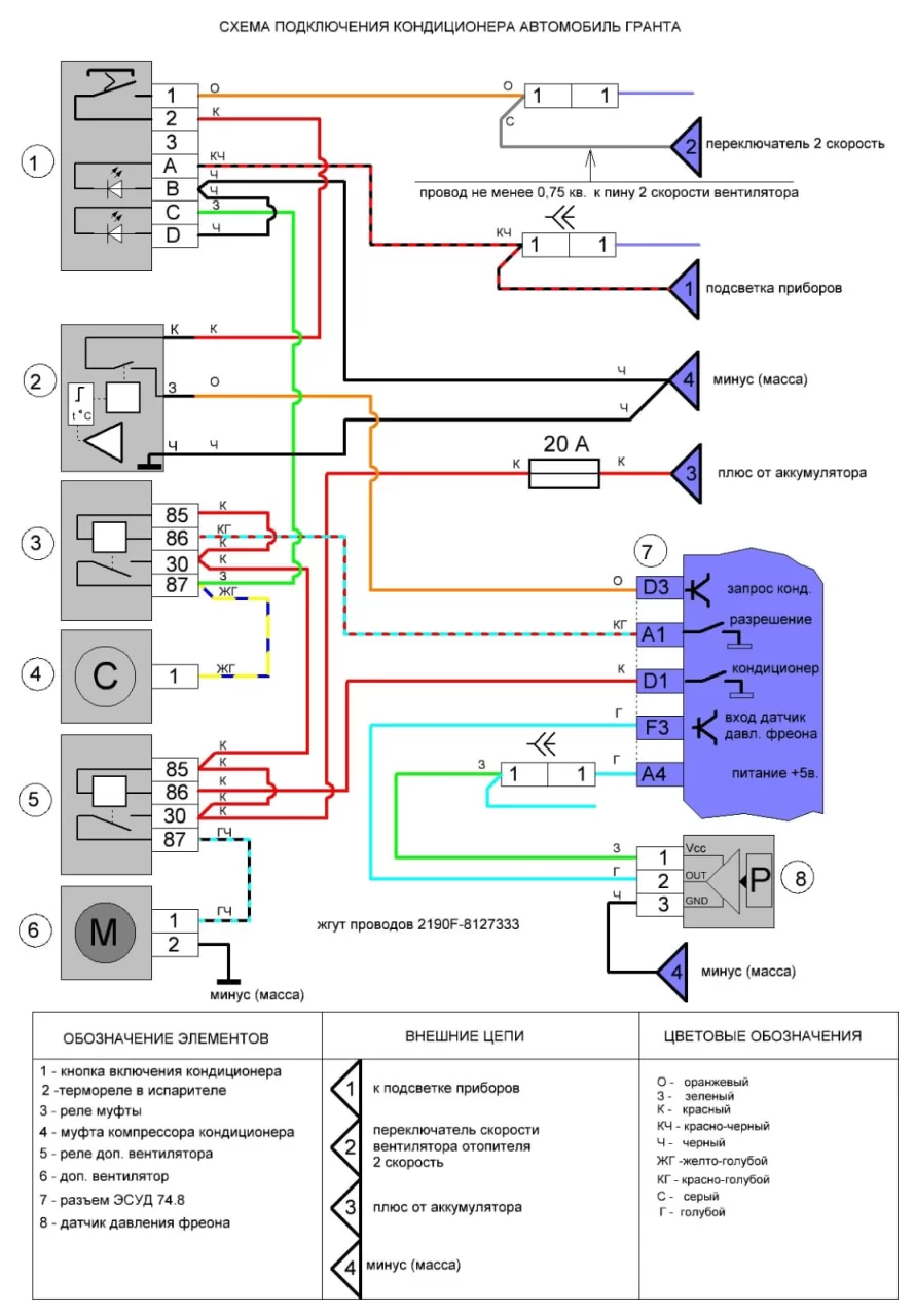
    Ищу схему подключения кондиционера Фрост к ЭБУ 74.9 Гранты

     03 июня 2025  Лев Александров    347    1  

    Всем добрый день, есть у кого-нибудь схема подключения кондиционера Фрост к эбу 74.9 Гранты? 

    Подружиться ли мозги с ним или никакого взаимодействия нет между ними? 

    Также решаем эту проблему:

    • в VK - https://vk.com/lada.online?w=wall-81037810_99736
    • в Telegram - https://t.me/ladaonline/13491

    Быстрый вход:

    или

    Вопросы не относящиеся к статье/новости просьба задавать на форуме

    Ответы

    1. Эта должна подойти

      если у нас покупали кондиционер, тогда схема есть в паспорте на последней странице

      Ответить   

Этот сайт использует cookie для хранения данных. Продолжая использовать сайт, Вы даете свое согласие на работу с этими файлами.