0 товаров – 0
Ваша корзина пуста

    Ошибки дроссельной заслонки Р1336, Р1545 в мороз

     18 февраля 2026  grishchuk    296    3  

    Добрый день. Калина 2 8 клоп.  На машине стоит электронный дроссель.

    Настали холода и начали вылетать ошибки дроссельной заслонки: Р1336, Р1545. Все это происходит только когда за бортом -15С и ниже. Как только теплеет, ошибки уходят. Вот две недели было тепло все было хорошо, выдохнул думал все, проблема ушла. Сегодня ударил мороз и все по старой. 

    В чем может быть причина?

    Также решаем эту проблему:

    Быстрый вход:

    или

    Вопросы не относящиеся к статье/новости просьба задавать на форуме

    Ответы

    1. Гость Александр
      Гость Александр
      18 февраля 2026 14:36

      Для начала почистите заслонку.

      Ответить   
      Нравится 0 Не нравится
    2. Код Р1336 
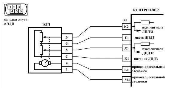
      Мониторинг управления приводом дроссельной заслонки, рассогласование сигналов 
      датчиков "А" / "В" положения дроссельной заслонки 

      Код Р1336 заносится, если: - зажигание включено; - сумма сигналов ДПДЗ А и ДПДЗ В отличаются от опорного напряжения 5 В более чем на 0,3 В в течение 0,5 с. 

      Сигнализатор неисправностей загорается через 5 c после возникновения кода неисправности. 

      Описание проверок 

      Последовательность соответствует цифрам на карте. 
      1 С помощью диагностического прибора проверяется, активен ли код Р1336 в момент 
      диагностики. 
      2 Выполняется проверка в соответствии с картой для кода Р2135. 

      Диагностическая информация 
      Диагностический прибор в режиме "1 - Параметры; 6 - Доп. Параметры; 3 - Входы 
      АЦП" показывает сигналы ДПДЗ А (UDKP1) и ДПДЗ В (UDKP2) в вольтах. 
      При открытии дроссельной заслонки сигнал ДПДЗ А увеличивается, сигнал ДПДЗ В 
      уменьшается. 
      При полностью закрытой дроссельной заслонке сигнал ДПДЗ А должен находится в 
      диапазоне 0,3…0,6 В, сигнал ДПДЗ В должен находится в диапазоне 4,4…4,7 В. 
      Контроллер пересчитывает вольтовые сигналы ДПДЗ А и ДПДЗ В в процент открытия 
      дроссельной заслонки. 
      Диагностический прибор в режиме "1 - Параметры; 1 - Общий просмотр" отображает 
      процент открытия дроссельной заслонки WDKBA, который рассчитывается как среднее 
      арифметическое сигналов ДПДЗ А (%) и ДПДЗ В (%). 0 % соответствует  полностью закры
      той дроссельной заслонке. 100 % соответствует максимальному открытию дроссельной за
      слонки. 
      Сигналы ДПДЗ А и ДПДЗ В рассогласованы, если выполняется следующее условие:  
      |5 В – (UDKP1 + UDKP2)| > 0,3 В 
      При обнаружении рассогласования сигналов ДПДЗ А и ДПДЗ В, система управления 
      двигателем будет работать в аварийном режиме до конца текущей поездки: - обесточивание электропривода дроссельной заслонки и ограничение оборотов дви
      гателя (2500 об/мин). 

      В случае замены ЭДП или контроллера ЭСУД, или сброса контроллера с помощью 
      диагностического прибора (режим "5 - Доп. испытания; 1 - Сброс ЭБУ с инициализацией") 
      необходимо выполнить процедуру адаптации нуля дроссельной заслонки. 
      Для этого на стоящем автомобиле необходимо включить зажигание, выждать 30 с, 
      выключить зажигание, дождаться отключения главного реле. 
      Адаптация будет прервана, если: - прокручивается двигатель; - автомобиль движется; - нажата педаль акселератора; - температура двигателя ниже 5 °С или выше 100 °С; - температура окружающего воздуха ниже 5 °С. 
      Если электропривод дроссельной заслонки обесточен, с помощью прямой и возврат
      ной пружин дроссельная заслонка удерживается в положении Limp home (6-7%). 

      После ремонта запустить двигатель, сбросить коды и убедиться в отсутствии не
      исправности.

      Ответить   

    3. Код Р1545
      Привод дроссельной заслонки, положение заслонки вне допустимого диапазона
      Код Р1545 заносится, если:
      - зажигание включено;
      - реальное положение дроссельной заслонки отличается от заданного на величину порога в течение 0,5 с.
      или
      - значения ПИД-регулятора превышают пороговое значение в течение 5 с.
      Сигнализатор неисправностей загорается через 5 c после возникновения кода неисправности.
      Описание проверок
      Последовательность соответствует цифрам на карте.
      1 С помощью диагностического прибора проверяется, фиксируется ли одновременно с
      кодом Р1545 коды Р0113, Р0118, Р0123, Р0223, Р2123, Р2128, Р2100, Р2101. Если фиксируются, то поиск неисправности необходимо начинать с этих кодов.
      2 Выполняется проверка механических и электрических узлов дроссельного патрубка.
      3 Выполняется проверка цепей управления электроприводом дроссельной заслонки.
      Диагностическая информация
      При обнаружении неисправности Р1545 система управления двигателем будет работать в аварийном режиме до конца текущей поездки:
      - обесточивание электропривода дроссельной заслонки и ограничение оборотов двигателя (до 3500 об/мин в зависимости от положения педали акселератора).
      Диагностический прибор в режиме "Мониторинг сигналов" отображает процент открытия дроссельной заслонки (параметр "Положение дроссельной заслонки").
      В случае замены ЭДП или контроллера ЭСУД, или сброса контроллера с помощью
      диагностического прибора (режим "Тест функций; Сброс ЭБУ с инициализацией") необходимо выполнить процедуру адаптации нуля дроссельной заслонки.
      Для этого на стоящем автомобиле необходимо включить зажигание, выждать 30 с,
      выключить зажигание, дождаться отключения главного реле.
      Адаптация будет прервана, если:
      - прокручивается двигатель;
      - автомобиль движется;
      - нажата педаль акселератора;
      - температура двигателя ниже 5 °С или выше 100 °С;
      - температура окружающего воздуха ниже 5 °С.
      Если электропривод дроссельной заслонки обесточен, с помощью прямой и возвратной пружин дроссельная заслонка удерживается в положении Limp home (6-7%).

      После ремонта запустить двигатель, сбросить коды и убедиться в отсутствии неисправности.

      Ответить   

Этот сайт использует cookie для хранения данных. Продолжая использовать сайт, Вы даете свое согласие на работу с этими файлами.