|
Цена:
9537 ₽
Количество:
Итого:
Сроки/наличие сообщит менеджер
Отправитель:
CareParts Отправка/самовывоз из: г.Санкт-Петербург
Доставка:
Почта РФ;
ТК СДЭК;
ТК Энергия;
ТК Деловые Линии;
другие ТК.
Оплата при получении:
Нет, не возможна
История цены от 8687 до 9537 ₽.
|
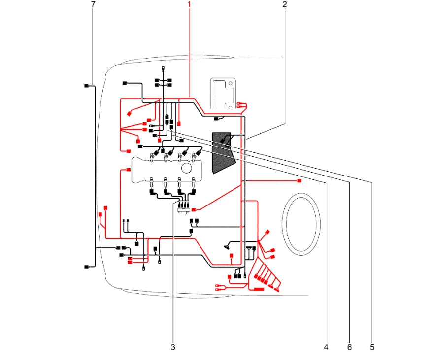
Штатный оригинальный жгут проводов системы зажигания 8450087267 для Lada Niva Legend, 4x4, Urban.
Оригинальные жгуты проводов LADA – это наборы электрических проводов и кабелей, которые используются для связи различных элементов электромеханических или электронных систем автомобилей. Назначение жгутов – обеспечивать питанием или передавать электронные сигналы различным периферийным устройствам. Жгуты оборудованы специальными колодками и клеммами для подключения и надежно защищены от внешних воздействий.
Новая оригинальная запасная часть / аксессуар. Изготовлена из высококачественных материалов. Протестирована АВТОВАЗ и соответствует высоким требованиям марки LADA.
Самые надежные детали – это детали, изготовленные на заводе-производителе автомобилей.
Оригинальные запасные части полностью соответствуют каждому автомобилю семейства LADA и всем техническим требованиям конструкторской документации АО «АВТОВАЗ».
Дополнительная информация:
Быстрая регистрация через соц.сети: