
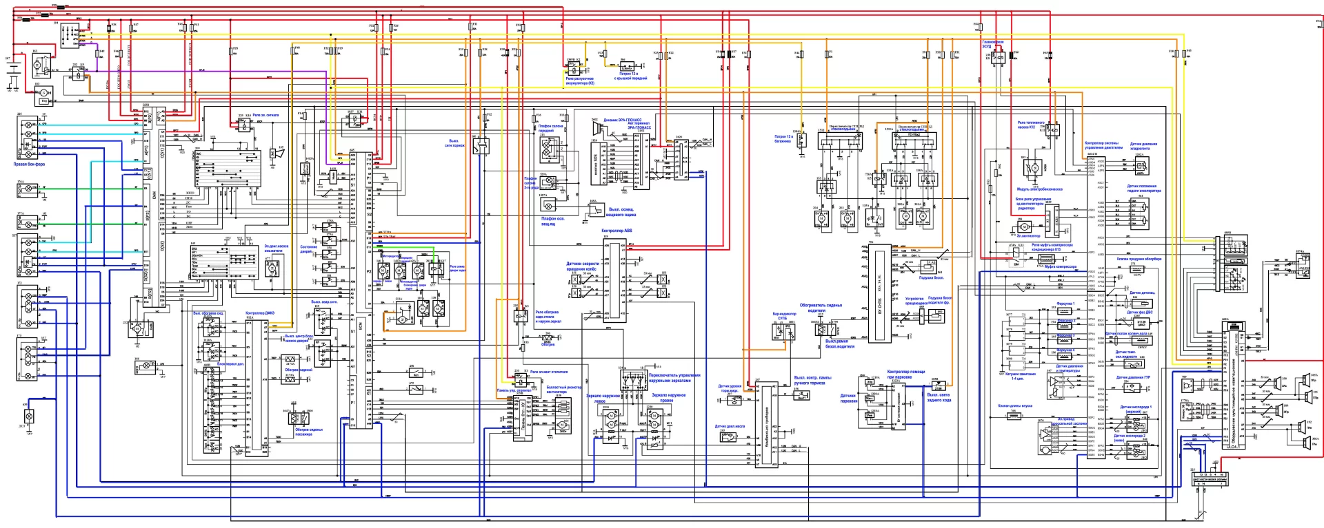
Любой водитель может столкнуться с неисправностями в электрооборудовании автомобиля. Далее вы найдете электросхемы семейства Лада Ларгус, которые помогут решить возникшие проблемы, а также упростят процедуру установки дополнительного оборудования, например, сигнализации, парктроника, камеры заднего вида и пр.
Скачать электрические схемы Лада Ларгус:
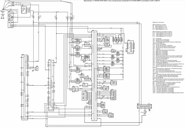
Схема электрических соединений ЭСУД R4M ЕВРО-5 автомобиля Lada Largus:
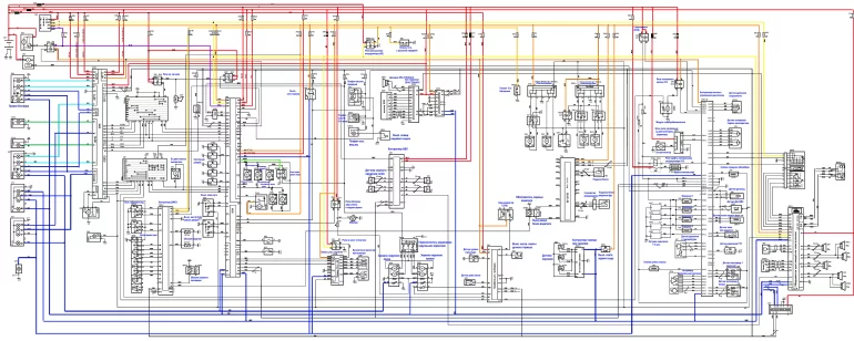
Схему для LADA Largus FL Cross в комплектации Luxe с двигателем ВАЗ 21129 (KS045_RS045_XL5_A2) прислал dehkanin:
Скачать в хорошем качестве:
Другую справочную информацию по семейству Lada Largus найдете в этом разделе.
Быстрая регистрация через соц.сети: