0 товаров – 0
Ваша корзина пуста

    Ошибка Р0130 на LADA, как решить проблему по инструкции завода

     06 декабря 2023  Лада.Онлайн    16 034    1      

    В ходе эксплуатации автомобиля LADA владельцы могут столкнутся с различными неисправностями в работе системы управления двигателем. Одной из популярных проблем является ошибка Р0130. Все причины этого недуга описаны в технологической инструкции завода, которой руководствуются официальные дилерские центры LADA.

    Расшифровка ошибки:

    • Р0130 - Датчик кислорода до нейтрализатора неисправен

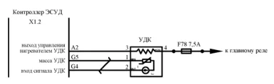
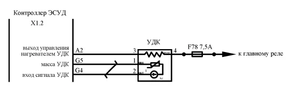
    Схемы:

    1. Lada Vesta, XRAY, Largus с двигателями ВАЗ и контроллером M86;
    2. Lada Granta, Lada Kalina 2 с контроллером M74, а также Lada Priora, Lada Kalina, Lada 4×4 с контроллером ME17.9.7 / M75.

    Код Р0130  заносится, если:

    • двигатель проработал время, достаточное для прогрева датчика кислорода (до 10 мин, определяется температурой ОЖ при старте);
    • сигнал УДК (управляющего датчика кислорода) повторяет по форме сигнал управления нагревателем (замыкание цепи выходного сигнала на цепь управления нагревателем);
      или напряжение сигнала прогретого УДК (параметр USVKL) находится в диапазоне от 0,6 до 1,5 В, а напряжение сигнала ДДК (параметр USHKL) меньше 0,1 В, при этом система осуществляет топливоподачу в режиме обратной связи по сигналу УДК (В_LR="Да");
      или напряжение сигнала прогретого УДК (параметр USVKL) находится в диапазоне от 60 до 400 мВ, а напряжение сигнала ДДК (параметр USHKL) больше 0,5 В, при этом система осуществляет топливоподачу в режиме обратной связи по сигналу УДК (В_LR="Да").

    Сигнализатор неисправностей загорается на 3-ей поездке после возникновения устойчивой неисправности.

    Описание проверок код Р0130:

    1. Lada Vesta, XRAY, Largus с двигателями ВАЗ и контроллером M86;
    2. Lada Granta, Lada Kalina 2 с контроллером M74, а также Lada Priora, Lada Kalina, Lada 4×4 с контроллером ME17.9.7 / M75.

    Последовательность соответствует цифрам на карте.

    1. Проверяется с помощью диагностического прибора значение напряжения сигнала управляющего датчика кислорода.
    2. Проверяется исправность цепи сигнала датчика.

    Диагностическая информация

    Для Lada Vesta, XRAY, Largus с двигателями ВАЗ и контроллером M86 - Напряжение на контакте "2" холодного датчика кислорода равно 1,7 В. Для прогретого датчика напряжение при работе по замкнутому контуру изменяется в 
    диапазоне 180...950 мВ.

    Для Lada Granta, Lada Kalina 2 с контроллером M74, а также Lada Priora, Lada Kalina, Lada 4×4 с контроллером ME17.9.7 / M75 - напряжение на контакте "А" холодного датчика кислорода равно 3,3 В. Для прогретого датчика напряжение при работе по замкнутому контуру изменяется в диапазоне 50...900 мВ.

    После ремонта запустить двигатель, сбросить коды и убедиться в отсутствии неисправности. 

    А вы сталкивались с ошибкой Р0130? В чем была причина неисправности?

    Ключевые слова: ЭСУД Лада Веста | ЭСУД Lada XRAY | ЭСУД Лада Гранта | ЭСУД Лада Калина | ЭСУД Лада Приора | ЭСУД Лада Ларгус | ЭСУД 4х4 | эсуд нива

    Поделиться в социальных сетях:

    Сталкивались ли вы с ошибкой Р0130?


    Комментарии

    Гости не могут оставлять комментарии в новостях, пожалуйста авторизируйтесь.
    1. А можно тоже самое, но для второго датчика?

      Нравится 0 Не нравится
Поиск статей и новостей:
Поиск товаров:
Главные новости:
ТОП товаров в магазине (еще)

    Обращались ли вы к дилеру по гарантийному случаю на Лада Калина?


    Голосовать
Этот сайт использует cookie для хранения данных. Продолжая использовать сайт, Вы даете свое согласие на работу с этими файлами.