
В зависимости от комплектации автомобилей LADA, модель может иметь одну или несколько подушек безопасности. Рассказываем про устройство и диагностику неисправностей этой пассивной системы безопасности.
1 Общие указания
Внимание. К работе с автомобилями, оборудованными системой надувных подушек безопасности (СНПБ), допускается только обученный персонал, ознакомленный с данной технологической инструкцией.
1.1 Работы проводить в соответствии с требованиями "Межотраслевых правил по охране труда на автомобильном транспорте" ПОТ РМ-027-2003, инструкций по охране труда для слесарей, действующих на предприятии и раздела 2 данной инструкции.
1.2 Неправильное обращение, хранение, транспортировка, установка или демонтаж компонентов СНПБ могут привести к непредусмотренному их срабатыванию и травмированию людей или к нарушению нормального функционирования системы в целом.
1.3 Компоненты СНПБ одноразового действия. Сработавшие в результате ДТП или иного происшествия модуль надувной подушки безопасности водителя (МНПБВ), модуль надувной подушки безопасности пассажира (МНПБП), боковые надувные подушки безопасности (БНПБ), ремни безопасности с устройством предварительного натяжения, блок управления системы надувных подушек безопасности (БУСНПБ) необходимо заменить.
При срабатывании МНПБВ на автомобиле обязательной замене подлежат также рулевое колесо и соединитель с устройством вращающимся.
1.4 Компоненты СНПБ (МНПБВ, МНПБП, БНПБ, БУСНПБ и ремни безопасности с устройством предварительного натяжения), сработавшие или не сработавшие, но со следами повреждений, подлежат замене. Допускается устанавливать компоненты системы соответствующие только модели данного автомобиля. Забракованные компоненты СНПБ должны быть помещены в изолятор брака на складе хранения.
1.5 При повреждении рулевого колеса с МНПБВ замене подлежит рулевое колесо.
1.6 Наличие СНПБ на автомобиле подтверждается надписью "AIRBAG" на крышке модуля надувной подушки безопасности водителя, установленного на рулевом колесе, надписью "AIRBAG" на панели приборов со стороны переднего пассажира и этикетками "AIRBAG", вшитыми в обивки спинок передних сидений.
4 Устройство
4.1 Система надувных подушек безопасности является дополнительным средством защиты водителя и пассажира, пристегнутых ремнями безопасности, и предназначена для снижения тяжести их травмирования при фронтальных (30 градусов) столкновениях автомобиля в дорожно-транспортных происшествиях. СНПБ срабатывает в зависимости от силы столкновения автомобиля с различными препятствиями.
СНПБ в случае штатного срабатывания в аварийной ситуации запускается вне зависимости от состояния пристегивания водителя или переднего пассажира ремнём безопасности. Поэтому, использование ремней безопасности водителем и передним пассажиром является обязательным условием эффективной работы СНПБ.
СНПБ начинает функционировать после включения зажигания и управляется электронным блоком (БУСНПБ) с функцией самодиагностики.
Срабатывание системы осуществляется подачей электрического сигнала от БУСНПБ на модули надувных подушек безопасности и ремни безопасности с устройством предварительного натяжения.
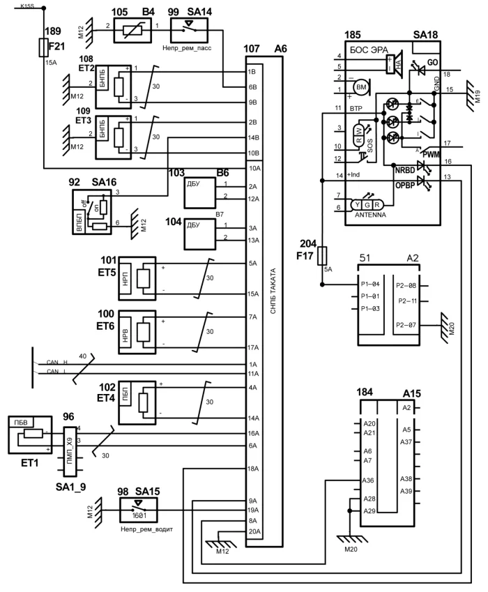
4.2 В состав 6-канальной СНПБ входят следующие элементы:
4.3 Состояние СНПБ отображается сигнализатором диагностики (символ 
 оранжевого цвета), расположенным в комбинации приборов, который после включения зажигания, при отсутствии неисправностей, должен включиться на 6-8 секунд и выключится.
В системе НПБ имеется неисправность, если:
Состояние ремня безопасности водителя отображается сигнализатором 
, расположенным в комбинации приборов.
Управление сигнализатором диагностики и сигнализатором непристегнутого ремня безопасности осуществляется по шине CAN.
Состояние ремня безопасности пассажира и статус подушки безопасности пассажира отображается соответственно сигнализаторами 
 и 
, расположенными в блоке освещения салона (БОС).
4.4 Обмен данными между БУСНПБ и блоками управления других систем автомобиля осуществляется по шине CAN.
Скачать
Просмотр кодов неисправностей возможен с помощью диагностического прибора Grade-X в режиме "Выбор кодов неисправности". Перечень кодов неисправностей приведен в таблице.
По каждой обнаруженной неисправности в памяти БУСНПБ сохраняется:
Код неисправности сохраняется в памяти со статусом "активный", если последний диагностический тест завершен с отрицательным результатом.
Код неисправности сохраняется в памяти со статусом "неактивный", если последний диагностический тест завершен с положительным результатом, но предыдущие были завершены с отрицательным результатом. Такое проявление возможно, если в автомобиле присутствует непостоянная неисправность. Причиной непостоянной неисправности может быть повреждение изоляции проводов, повреждение контактов в соединительных колодках, ненадежное соединение колодок.
"Неактивный" код неисправности стирается из памяти, если диагностические тесты завершены с положительным результатом в определенном количестве последних циклов включения / выключения зажигания.
Для удаления кодов из памяти БУСНПБ после завершения ремонта стереть коды с помощью диагностического прибора в режиме "Выбор кодов неисправности; Стереть и обновить".
Совет: Для считывания ошибок в электронных блоках владельцы автомобилей часто пользуются ELM327 адаптером (купить на Ali) и приложением OpenDiag в смартфоне.
Перечень кодов неисправностей СНПБ:
В1012-04 Внутренний сбой блока управления
В1013-00 Повторное использование блока управления
В1014-00 Краш память заблокирована
В1017-14 Замыкание цепей подушек
В1018-00 VIN не записан
В1021-1B Передняя подушка безопасности водителя – сопротивление цепи выше порогового значения
В1022-1A Передняя подушка безопасности водителя – сопротивление цепи ниже порогового значения
В1023-14 Передняя подушка безопасности водителя – замыкание цепи на массу
В1024-12 Передняя подушка безопасности водителя – замыкание цепи на бортсеть
В1029-1B Натяжитель ремня водителя – сопротивление цепи выше порогового значения
В102A-1A Натяжитель ремня водителя – сопротивление цепи ниже порогового значения
В102B-14 Натяжитель ремня водителя – замыкание цепи на массу
В102C-12 Натяжитель ремня водителя – замыкание цепи на бортсеть
В1031-1B Передняя подушка безопасности пассажира – сопротивление цепи выше порогового значения
В1032-1A Передняя подушка безопасности пассажира – сопротивление цепи ниже порогового значения
В1033-14 Передняя подушка безопасности пассажира – замыкание цепи на массу
В1034-12 Передняя подушка безопасности пассажира – замыкание цепи на бортсеть
В1039-1B Натяжитель ремня пассажира – сопротивление цепи выше порогового значения
В103A-1A Натяжитель ремня пассажира – сопротивление цепи ниже порогового значения
В103B-14 Натяжитель ремня пассажира – замыкание цепи на массу
В103C-12 Натяжитель ремня пассажира – замыкание цепи на бортсеть
В1041-1B Боковая подушка безопасности водителя – сопротивление цепи выше порогового значения
В1042-1A Боковая подушка безопасности водителя – сопротивление цепи ниже порогового значения
В1043-14 Боковая подушка безопасности водителя – замыкание цепи на массу
В1044-12 Боковая подушка безопасности водителя – замыкание цепи на бортсеть
В1045-1B Боковая подушка безопасности пассажира – сопротивление цепи выше порогового значения
В1046-1A Боковая подушка безопасности пассажира – сопротивление цепи ниже порогового значения
В1047-14 Боковая подушка безопасности пассажира – замыкание цепи на массу
В1048-12 Боковая подушка безопасности пассажира – замыкание цепи на бортсеть
В1071-14 Датчик бокового удара водителя – замыкание цепи на массу или бортсеть
В1073-00 Датчик бокового удара водителя – внутренняя ошибка
В1074-87 Датчик бокового удара водителя – ошибка связи
В1081-14 Датчик бокового удара пассажира – замыкание цепи на массу или бортсеть
В1083-00 Датчик бокового удара пассажира – внутренняя ошибка В1084-87 Датчик бокового удара пассажира – ошибка связи
В1093-12 Индикатор отключения подушки пассажира – замыкание цепи на бортсеть
В1094-14 Индикатор отключения подушки пассажира – замыкание цепи на массу или обрыв цепи
В1095-14 Сигнал ENS – замыкание цепи на массу или обрыв цепи
В1096-12 Сигнал ENS – замыкание цепи на бортсеть
В1097-17 Напряжение аккумулятора выше порогового значения
В1098-16 Напряжение аккумулятора ниже порогового значения
В109A-12 Индикатор ремня безопасности при наличии пассажира – замыкание цепи на бортсеть
В109B-14 Индикатор ремня безопасности при наличии пассажира – замыкание цепи на массу или обрыв цепи
В1103-14 Выключатель подушки безопасности пассажира – замыкание цепи на массу
В1104-12 Выключатель подушки безопасности пассажира – замыкание цепи на бортсеть или обрыв цепи
U0073-88 Шина CAN отключена
Напомним, остальные Технологические Инструкции по автомобилю Lada Vesta представлены тут.
Ключевые слова: безопасность лада веста | безопасность lada xray | безопасность лада гранта | безопасность лада ларгус | безопасность лада калина | безопасность лада приора | безопасность 4х4 | безопасность нива | ЭСУД Лада Веста | ЭСУД Lada XRAY | ЭСУД Лада Гранта | ЭСУД Лада Приора | ЭСУД Лада Ларгус | ЭСУД Лада Калина | ЭСУД 4х4 | эсуд нива
Быстрая регистрация через соц.сети: