0 товаров – 0
Ваша корзина пуста

    Как подключить блок управления климатом от Vesta NG (Arkana) на старую Vesta

     10 июля 2025  Лада.Онлайн    15 192    6      

    Панель управления климатической установкой на старой Весте (до 2022 года) и новом поколении (с 2022 года) отличается. Автолюбители разобрались, как можно подключить более современную панель управления печкой и кондиционером от Vesta NG на дорестайлинговую версию.

    Отчет Rimskii81

    Владелец Весты (Rimskii81) поделился отчетом.

    Потребуется:

    • Контроллер системы управления климатической установкой 285255296R
    • Панель управления климатической установкой для Lada Vesta NG (артикул 8450040677)

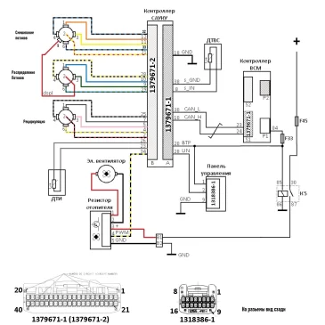
    Схема подключения:

    Разных годов блок климата, как оказалось, имеет немного отличную/различную распиновку, а именно нет перемычек между 30-32 и 31-33 пинами серого разъема.

    пишет автор.

    Настройка контроллера:

    Подключаемся к контроллеру через адаптер ELM327, используя специальный софт (подробней). Затем меняем настройки по этому примеру:

    Внимание! Все настройки электронного блока вы выполняете на свой страх и риск.

    Установка панели управления климатом.

    Центральная консоль дорестайлинговой Весты не предназначена для установки блока климата от Vesta NG. Автор временно разместил блок, но в дальнейшем планирует привести все в должный вид (изготовить накладку можно при помощи 3D принтера). 

    ссылка на видео если не работает youtube

    Отчет LexBor

    Владелец Lada Vesta дорестайл установил доработал конструкцию своего автомобиля, заменив обычный кондиционер на климат-контроль, используя блок управления от Vesta NG / Arkana. 

    Потребовалось:

    1. Блок управления климат контролем Renault Arkana/Duster 2 с рамкой 275105451R новый 3000 рублей

    2. Жгут проводов климата от raiven-tumen.

    3. Разъём блока климата 16 пиновый 1473410-1 1318386-1.

    4. Контроллер климат контроля 285255296R новый 1500 рублей

    Чтобы установить блок-климата Arkana в Vesta пришлось доработать рамку с помощью гравера. В торпедо пришлось вырезать часть пластика, чтобы все поместилось.

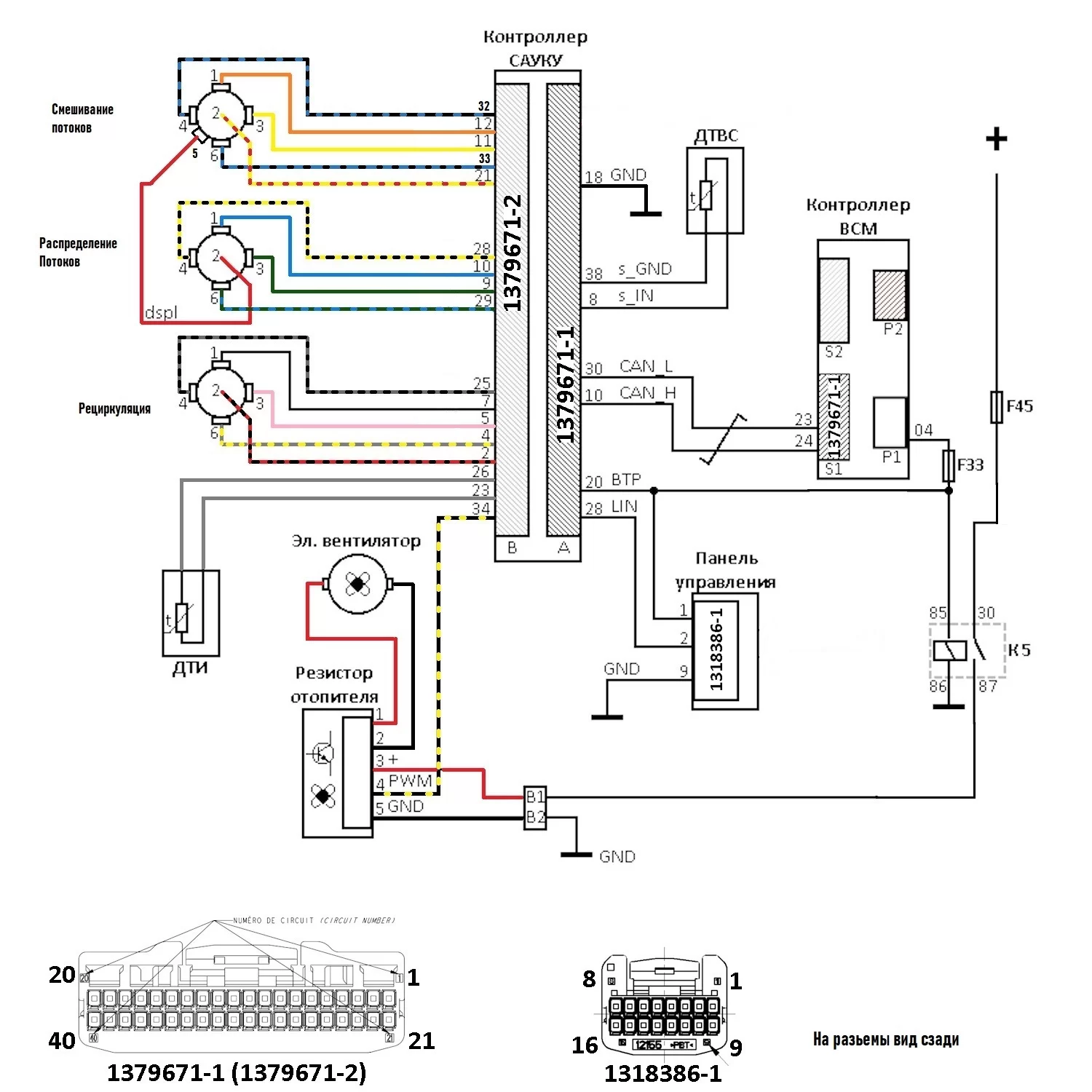
    Подключение выполнялось по схеме ниже. Чтобы заработала заслонка рециркуляции нужно вместо чёрно-серого провода подключить к зелено-жёлтому проводу.

    Подключаемся к контроллеру через адаптер ELM327, используя ECU Tweaker.

    Модуль Dacia Arkana ставим климатическую зону № 3

    Читайте также:

    Ключевые слова: печка лада веста | кондиционер лада веста

    Поделиться в социальных сетях:

    Была ли эта информация полезна для вас?


    Комментарии

    Гости не могут оставлять комментарии в новостях, пожалуйста авторизируйтесь.
    1. Консоль надо еще установить от ВАЗ 2107

      Нравится +7 Не нравится
    2. ОЧумелые ручки это называется. Скоро народ начнет резать бампер, крылья, чтобы фары втулить от НГ.

      Нравится +10 Не нравится
    3. дополнили материал отчетом LexBor

    4. Для чего? Он же менее удобный и ограничивает доступ к подстаканникам.

      Я к тому, что трудоёмкость- ад, а результат не вполне понятен мне например.

      Нравится +32 Не нравится
    5. Шопипец у людей свободного времени...

      Нравится +47 Не нравится
    6. Не было у бабы хлопот - купила баба порося...

      А можно было просто взять комплектацию с климатом и не делать мозги "накладками, напечатанными на 3D-принтере"

      Нравится +27 Не нравится
Поиск статей и новостей:
Поиск товаров:
Главные новости:
ТОП товаров в магазине (еще)

    Устраивает ли Вас штатный ближний свет Лада Веста?


    Голосовать
Этот сайт использует cookie для хранения данных. Продолжая использовать сайт, Вы даете свое согласие на работу с этими файлами.