
Опция «Автовыключение света фар» в настоящее время доступна только на Luxe и Exclusive комплектациях Lada Vesta. На остальных версиях автомобиля нужно не забывать выключать ближний свет при отключении зажигания, иначе за ночь горящие габариты посадят аккумулятор. Расскажем, как дооснастить Весту этой опцией комфорта своими руками.
Доработку предложил Phantom70
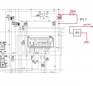
Схема реализации при помощи дополнительного реле:
Потребуется: предохранитель (3 шт.), колодка под предохранитель и реле с колодкой.

Порядок действий:
Напомним, ранее мы рассказывали про другие доработки фар Весты, например:
Ключевые слова: передние фары лада веста | внешняя подсветка лада веста
Быстрая регистрация через соц.сети: