
В некоторых комплектациях автомобиля Renault есть опция «ECO Mode», позволяющая перевести работу двигателя в экономичный режим, уменьшая расход бензина. На Lada XRAY и Lada Vesta используется аналогичный двигатель от Renault и электронный блок управления. Значит ли это, что ЭКО режим можно активировать на этих автомобилях LADA?
Что такое ECO режим? Производитель автомобилей Renault указывает, что новая функция Режим Eco, доступная на некоторых двигателях, позволяет автоматически оптимизировать потребление топлива, корректируя параметры топливозатратные параметры. Eco Mode регулирует работу двигателя и кондиционера оставляя их при этом приемлемыми для водителя и пассажиров. Функция Eco Mode позволяет снизить потребление топлива и выбросы CO2 на целых 10%, в зависимости от стилей вождения и дорожных условий. Режим Eco включается нажатием кнопки на приборной панели, и выключается с помощью той же кнопки, или резким нажатием на педаль газа.
Внимание! Вмешиваясь в электропроводку автомобиля вы можете потерять гарантию. Все дальнейшие действия вы делаете на свой страх и риск. Автор ответственности не несет.
Инструкцией по доработке автомобиля Lada XRAY поделился walla03.
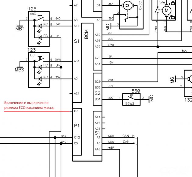
Чтобы активировать ECO режим на Lada XRAY (с двигателем Renault-Nissan) потребуется установить кнопку (артикул 251B49802R), либо замкнуть кратковременно на «массу» P1-7 контакт ЦБКЭ (где находится блок).
Кнопку подключаем по схеме:
Теперь при нажатии на кнопку ECO происходит кратковременное замыкание черного и зеленого проводов, и загорается соответствующий индикатор на панели приборов.
На Lada XRAY Cross с вариатором 2021 года выпуска было отмечено, что для активации ECO режима установка кнопки или замыкание на «массу» является не достаточным. Для работы режима следует его активировать программным путем, используя ELM327 адаптер.
Потребуется:
Установка ПО на смартфон Android:
Установка ПО на ПК/ноутбук:
Изменение настроек:
1. Изменить настройки с False на True значений указанных на фото.
2. Нажать Send напротив каждой настройки.
В результате при нажатии на кнопку ECO в комбинации приборов будет загораться соответствующий индикатор. В ходе эксплуатации автомобиля было отмечено, что режим ECO действительно работает:
На автомобилях Lada Vesta с двигателем Renault данная настройка еще не проверялась. Ждем отзывов владельцев..
Напомним, ECO Mode - это не единственная кнопка, которую можно установить на Lada XRAY. Например, еще можно самостоятельно установить кнопку ESC (отключение системы курсовой устойчивости).
Фото: бортовой журнал walla03
Ключевые слова: система питания lada xray | панель приборов lada xray | двигатель lada xray | система питания лада веста | панель приборов лада веста | двигатель лада веста | ELM327
Быстрая регистрация через соц.сети: