0 товаров – 0
Ваша корзина пуста

    Ошибка дроссельной заслонки Р1559, в чем проблема?

     23 августа 2023  Удаленный пользователь    10 680    3  

    Лада Гранта 2023 года с двигателем ВАЗ 11182.

    Ошибка дроссельной заслонки вылезла на 1500км. Дилер поменял программное обеспечение, и через 1600 км опять вылезла Р1559-00. В чем может  быть причина, из-за которой появляется ошибка?

    Также решаем эту проблему:

    Быстрый вход:

    или

    Вопросы не относящиеся к статье/новости просьба задавать на форуме

    Ответы

    1. На драйве есть инфа как смазать узел и вроде как проблема уходит.У самого 2 раза за 95000 выпадала такая ошибка ,просто сбросил и всё.

      Ответить   
      Нравится -1 Не нравится
    2. Vesta 1.8. На 27000 км периодически загоралась ошибка. При очередном появлении поехал к дилеру, поменяли дроссельную заслонку по гарантии. Спустя 13000 км ошибка не появлялась. 

      Ответить   
      Нравится +1 Не нравится
    3.  

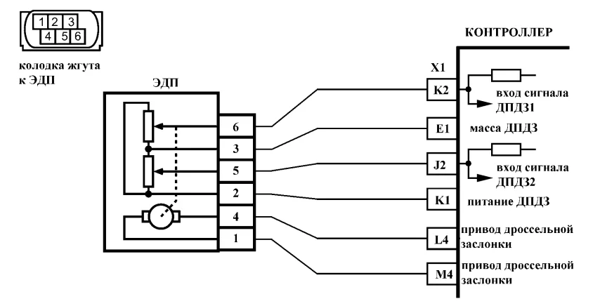
      Код Р1559 Привод дроссельной заслонки, положение заслонки в состоянии покоя вне допустимого диапазона

      Код Р1559 заносится, если:
      - зажигание включено;
      - положение дроссельной заслонки в обесточенном состоянии выходит за допустимый 
      диапазон.

      Сигнализатор неисправностей загорается через 5 c после возникновения кода неисправности.

      Описание проверок

      Последовательность соответствует цифрам на карте.
      1 С помощью диагностического прибора проверяется, активен ли код Р1559 в момент 
      диагностики.
      2 Выполняется проверка механических и электрических узлов дроссельного патрубка.

      Диагностическая информация

      При обнаружении неисправности Р1559 система управления двигателем будет работать в штатном режиме.
      Диагностический прибор в режиме "1 - Параметры; 1 - Общий просмотр" отображает 
      процент открытия дроссельной заслонки WDKBA.

      При включении зажигания контроллер проводит:
      - тест возвратной пружины;
      - проверку положения заслонки при обесточенном электроприводе;
      - адаптацию нуля положения дроссельной заслонки;
      - тест прямой пружины.

       

      Ответить   

Этот сайт использует cookie для хранения данных. Продолжая использовать сайт, Вы даете свое согласие на работу с этими файлами.