|
|
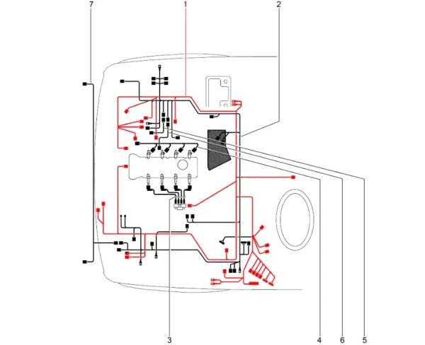
LADA объявляет о старте продаж Vesta 2026 модельного года. Автомобили этого семейства стали ещё комфортнее и технологичнее. Обновления включают новую электронную архитектуру с ключ-картой с функциями бесключевого доступа и дистанционного запуска двигателя, обновлённую мультимедийную систему EnjoY с... Подробнее |
5 803 18Есть опрос |
|
|
Для некоторых потенциальных покупателей развитие АВТОВАЗа и его продуктовой линейки автомобилей выглядит очень медленно. Представители завода прокомментировали это высказывание. Автолюбители привыкли к тому, что иномарки быстро обновляются. Потому что в России, начиная с 2022–2023 года, идет очень... Подробнее |
8 535 12Есть опрос |
|
Добрый день. Подскажите пожалуйста, крышка багажника Веста седан и Веста NG седан взаимозаменяемы?... Подробнее |
2 957 3 |
|
|
Добрый день. Подскажите пожалуйста, какая емкость бачка омывателя стекла у Lada XRAY?... Подробнее |
338 1 |
Быстрая регистрация через соц.сети: