0 товаров – 0
Ваша корзина пуста

    Разъемы, схема и распиновка мультимедийной системы LADA EnjoY Pro

     03 июня 2021  Лада.Онлайн    88 103    21      

    Разъемы, схема и распиновка мультимедийной системы LADA EnjoY Pro

    С 2021 года на семейство Lada Vesta, XRAY, Granta завод начал устанавливать новую интеллектуальную мультимедийную систему (ММС) LADA EnjoY Pro. Далее представлена принципиальная схема подключения ММС и назначение контактов разъёмов ММС.

    LADA Vesta с EnjoY Pro 

    Разъемы ММС LADA EnjoY Pro:

    Разъемы ММС LADA EnjoY ProРазъемы ММС LADA EnjoY ProРазъемы ММС LADA EnjoY Pro

    Фото umnik-pro

    Разъём "X1" (20 контактов)

    Разъём "X1" (20 контактов)

    • А2 Громкоговоритель передний левый ("+")
    • А3 Громкоговоритель передний левый ("-")
    • А4 Громкоговоритель задний левый ("+")
    • А5 Громкоговоритель задний левый ("-")
    • А7 BTP/SYS ON
    • А11 Громкоговоритель передний правый ("+")
    • А12 Громкоговоритель передний правый ("-")
    • А13 Громкоговоритель задний правый ("+")
    • А14 Громкоговоритель задний правый ("-")
    • A17 Клемма "15" Замка зажигания
    • А19 Клемма "30" АКБ
    • А20 "Масса" ("-")

    Разъём "X2" (40 контактов)

    Разъём "X2" (40 контактов)

    • B1 Микрофон, вход 1
    • B2 Микрофон +5В
    • B8 Вход управления подсветкой +12В
    • B11 Питание антенны, +12В
    • B12 Питание камеры заднего вида GND
    • B13 Питание камеры заднего вида +6В
    • B15 Кнопка управления на руле ("L1")
    • B16 Кнопка управления на руле ("L0")
    • B18 LCAN-M H END
    • B19 LCAN-M H
    • B20 Vehicle CAN H
    • B21 Микрофон, вход 2
    • B22 Микрофон GND
    • B24 MUTE, +12В
    • B32 Камера заднего вида - сигнал
    • B33 Камера заднего вида - GND
    • B34 Кнопка управления на руле ("IN2")
    • B35 Кнопка управления на руле ("IN1")
    • B36 Кнопка управления на руле ("IN0")
    • B38 LCAN-M L END
    • B39 LCAN-M L
    • B40 Vehicle CAN L

    Разъём "X3" (5 контактов)

    Разъём "X3" (5 контактов)

    • D1 VBUS
    • D2 DD3 D+
    • D5 GND

    Разъем "X4" (5 контактов)

    Разъем "X4" (5 контактов)

    • E1 VBUS
    • E2 DE3 D+
    • E5 GND

    Разъемы "X8" (2 контакта)

    Разъемы "X8" (2 контакта)

    • M1 AM/FM сигнал
    • M2 AM/FM GND

    Разъемы "X8" (2 контакта)

    Разъемы "X9" (2 контакта)

    • O1 GNSS сигнал
    • O2 GNSS GND

    Разъемы "X8" (2 контакта)

    Разъемы "X10" (2 контакта)

    • P1 GNSS сигнал
    • P2 GNSS GND

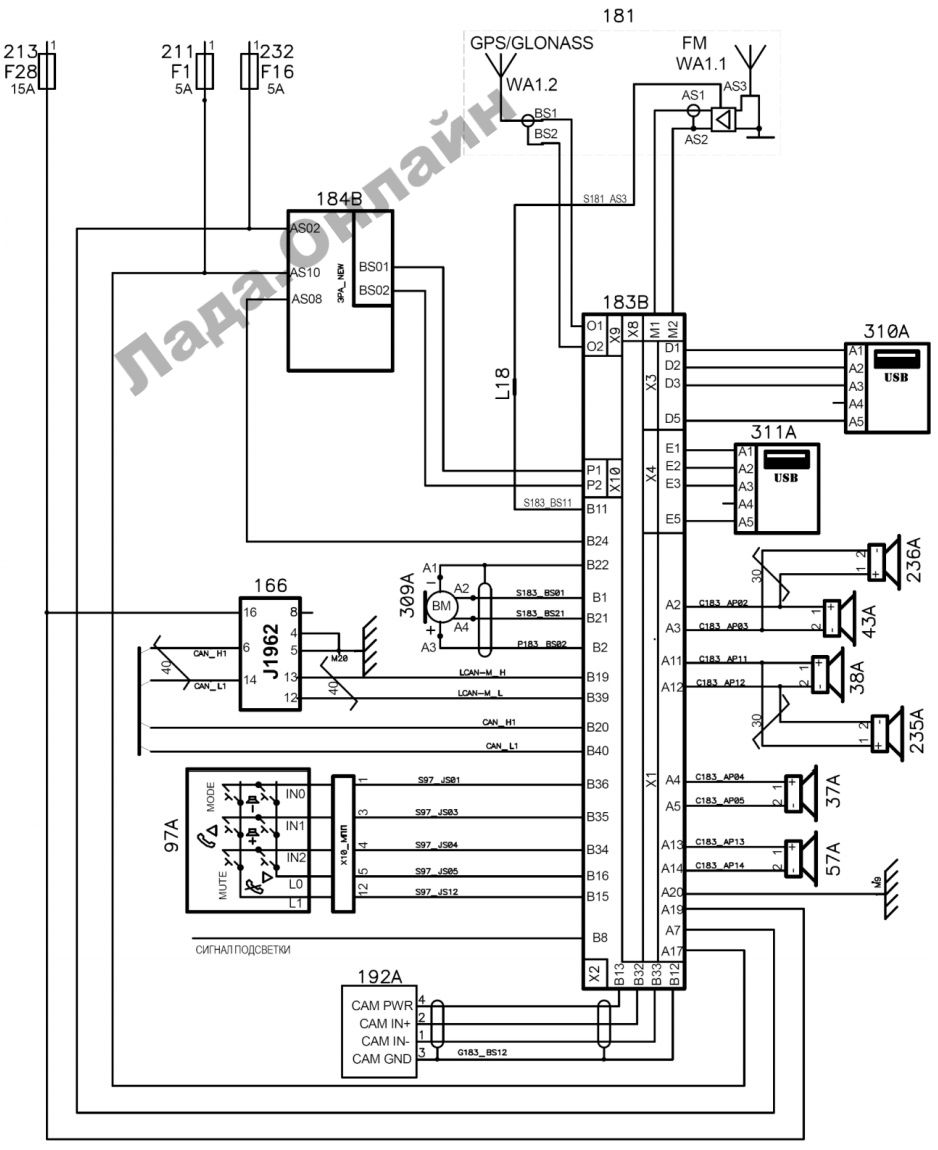
    Принципиальная схема подключения ММС автомобилей VESTA

    Принципиальная схема подключения ММС автомобилей VESTA: 37A – громкоговоритель задний левый; 38A – громкоговоритель передний правый; 43A – громкоговоритель передний левый; 57А – громкоговоритель задний правый; 97А – соединитель вращающийся; 166 – диагностический разъём; 181 – антенна комбинированная; 183B – оборудование мультимедийное (IVI); 184B – терминальный блок "ЭРА-ГЛОНАСС"; 192A – камера заднего вида; 235A – громкоговоритель высокочастотный правый; 236A – громкоговоритель высокочастотный левый; 309A – микрофон аудиосистемы; 211, 213, 232 – предохранители системы; 310A – разъём USB (мультимедиа); 311A – разъём USB (модем).

    LADA XRAY с EnjoY Pro

    Разьём "X1" (20 контактов)

    Разьём "X1" (20 контактов)

    • А2 Громкоговоритель передний левый ("+")
    • А3 Громкоговоритель передний левый ("-")
    • А4 Громкоговоритель задний левый ("+")
    • А5 Громкоговоритель задний левый ("-")
    • А7 BTP/SYS ON
    • А11 Громкоговоритель передний правый ("+")
    • А12 Громкоговоритель передний правый ("-")
    • А13 Громкоговоритель задний правый ("+")
    • А14 Громкоговоритель задний правый ("-")
    • А19 Клемма "30" АКБ
    • А20 "Масса" ("-")

    Разъём "X2" (40 контактов)

    Разъём "X2" (40 контактов)

    • B1 Микрофон, вход 1
    • B2 Микрофон +5В
    • B8 Вход управления подсветкой +12В
    • B12 Питание камеры заднего вида GND
    • B13 Питание камеры заднего вида +6В
    • B15 Кнопка управления на руле ("L1")
    • B16 Кнопка управления на руле ("L0")
    • B19 LCAN-M H
    • B20 Vehicle CAN H
    • B21 Микрофон, вход 2
    • B22 Микрофон GND
    • B23 Сигнал MUTE
    • B32 Камера заднего вида - сигнал
    • B33 Камера заднего вида - GND
    • B34 Кнопка управления на руле ("IN2")
    • B35 Кнопка управления на руле ("IN1")
    • B36 Кнопка управления на руле ("IN0")
    • B39 LCAN-M L
    • B40 Vehicle CAN L

    Разъём "X3" (5 контактов)

    Разъём "X3" (5 контактов)

    • D1 VBUS
    • D2 DD3 D+
    • D4 Экран
    • D5 GND

    Разъём "X4" (5 контактов)

    Разъём "X4" (5 контактов)

    • E1 VBUS
    • E2 DE3 D+
    • E4 Экран
    • E5 GND

    Разъём "X8" (2 контакта)

    Разъём "X8" (2 контакта)

    • M1 AM/FM сигнал
    • M2 AM/FM GND

    Разъём "X9" (2 контакта)

    Разъём "X9" (2 контакта)

    • O1 GNSS сигнал
    • O2 GNSS GND

    Принципиальная схема подключения ММС автомобилей XRAY

    Принципиальная схема подключения ММС автомобилей XRAY: 189 – громкоговоритель задний правый; 190 – громкоговоритель задний левый;191 – громкоговоритель передний правый; 192 – громкоговоритель передний левый; 225 – диагностический разъём; 365A – громкоговоритель высокочастотный правый; 366A – громкоговоритель высокочастотный левый; 662B – оборудование мультимедийное навигационное (IVI); 689С – устройство вращающееся; 1778А – камера заднего вида; 1874А – антенна комбинированная; 1877 – разъём USB (мультимедиа); 2152 – автомобильный терминал системы "ЭРА-ГЛОНАСС"; 2343А – разъём USB (модем); 2752 – микрофон аудиосистемы

    LADA Granta с EnjoY Pro

    Разьём "X1" (20 контактов)

    Разьём "X1" (20 контактов)

    • А2 Громкоговоритель передний левый ("+")
    • А3 Громкоговоритель передний левый ("-")
    • А4 Громкоговоритель задний левый ("+")
    • А5 Громкоговоритель задний левый ("-")
    • А7 Положение "ACC" Замка зажигания
    • A8 Сигнал заднего хода
    • А11 Громкоговоритель передний правый ("+")
    • А12 Громкоговоритель передний правый ("-")
    • А13 Громкоговоритель задний правый ("+")
    • А14 Громкоговоритель задний правый ("-")
    • A17 Клемма "15" Замка зажигания
    • А19 Клемма "30" АКБ
    • А20 "Масса" ("-")

    Разъём "X2" (40 контактов)

    Разъём "X2" (40 контактов)

    • B1 Микрофон, вход 1
    • B2 Микрофон +5В
    • B8 Вход управления подсветкой +12В
    • B12 Питание камеры заднего вида GND
    • B13 Питание камеры заднего вида +6В
    • B19 LCAN-M H
    • B20 Vehicle CAN H
    • B21 Микрофон, вход 2
    • B22 Микрофон GND
    • B24 MUTE, +12В
    • B32 Камера заднего вида - сигнал
    • B33 Камера заднего вида - GND
    • B39 LCAN-M L
    • B40 Vehicle CAN L

    Разъём "X3" (5 контактов)

    Разъём "X3" (5 контактов)

    • D1 VBUS
    • D2 DD3 D+
    • D5 GND

    Разъём "X8" (2 контакта)

    Разъём "X8" (2 контакта)

    • M1 AM/FM сигнал
    • M2 AM/FM GND

    Разъём "X9" (2 контакта)

    Разъём "X9" (2 контакта)

    • O1 GNSS сигнал
    • O2 GNSS GND

    Разъём "X10" (2 контакта)

    Разъём "X10" (2 контакта)

    • P1 GNSS сигнал
    • P2 GNSS GND

    Принципиальная схема подключения ММС автомобилей GRANTA

    Принципиальная схема подключения ММС автомобилей GRANTA: 220A – оборудование мультимедийное навигационное (IVI); 312A – камера заднего вида; 313A – микрофон аудиосистемы; 408A – выключатель света заднего хода; 569A – антенна FM; 748 – громкоговоритель передний правый; 749 – громкоговоритель передний левый 750 – громкоговоритель задний правый; 751 – громкоговоритель задний левый; 817A – разъём USB; 903 – автомобильный терминал системы "ЭРА-ГЛОНАСС"; 911- антенна "ЭРА-ГЛОНАСС".

    Читайте также:

    Ключевые слова: магнитола лада веста | магнитола lada xray | магнитола лада гранта | ММС EnjoY

    Поделиться в социальных сетях:

    Была ли эта информация полезна для вас?


    Комментарии

    Гости не могут оставлять комментарии в новостях, пожалуйста авторизируйтесь.
    1. Добрый день, как узнать какие мамы (маркировка) стоят на Разъём "X2" (40 контактов) ?

      Нравится 0 Не нравится
      1. Добрый день.

        https://www.drive2.ru/users/maxflomaster/ подсказал

    2. Добрый день! Где то можно добавить в магнитолу штатную функции? У меня только радио и блютуз:( Веста 23 года. Или подскажите, где взять переходники для подключения с вестовской проводки

      Нравится +3 Не нравится
      1. Добрый день.

        В магнитоле штатные функции с завода.

        Переходники для подключения чего?

      2. Андроид магнитолы , вместо штатной 

        Нравится 0 Не нравится
      3. тут обсуждаем штатную магнитолу

        Все вопросы не относящиеся к статье пожалуйста задавайте на форуме

        https://xn--80aal0a.xn--80asehdb/addnews.html

    3. здрасьти.

      будьте так любезны.

      выложите распиновки ММС энжой с хэндс фри от Лада Веста NG c 2022 года

      особливо интересует распиновка отдельной кнопки(крутилки) её включения...

      Нравится +1 Не нравится
      1. Добрый день.

        Как появится данная информация, обязательно выложим.

    4. Лада.онлайн поднимите вопрос обновления enjoy pro. С момента покупки преля 2021 года небыло ниодного. На нас забили? По сравнению с xray и новой вестой на вместе первого поколения самый урезаный функционал

      Нравится +8 Не нравится
      1. А что вы ждете от обновления?

      2. Минимум исправления глюков с отвалом bt  во время разговора, непонятный запуск воспроизведения с флэшки после простоя. Эти глюки носят массовый характер. И с учётом того, что МС имеет связь с кан шиной, плюшек, как на хрээ, про возможности на новой весте я вообще молчу.

        С момента покупки 31.03.2021 небыло ниодного обновления системы

        Нравится +8 Не нравится
      3. Как минимум - набор контакта голосом с помощью Алисы. На телефонах она это давно умеет. А как максимум - исправления кучи багов и глюков, которыми богата магнитола.

        Нравится +6 Не нравится
      4. исправления косяка с автояркостью экрана, которая слетает при использовании автосвета, тоже массовый характер

        Нравится +5 Не нравится
    5. А есть у кого - нибудь полностью электросхема из которой вырезан кусок и вставлен сюда? Не могу понять, куда идет шина L CAM-M H/L

      Нравится +1 Не нравится
      1. см J1962 на первой схеме, это разъем диагностики

        Нравится 0 Не нравится
    6. Добрый день, куда подключаются 4 провода LCAN-M? На фото штекера видно что на машинах с завода там идут провода, а куда их нужно тянуть на более старых машинах? И есть ли общая схема электропроводки новых машин 2021?

      Нравится 0 Не нравится
      1. В OBD 2 разъём. Отдельная шина диагностики ММС

        Нравится 0 Не нравится
    7. Андрей Прохоров
      Андрей Прохоров
      4 июня 2021 05:54
      А куда подключать сабвуфер?
      Нравится +64 Не нравится
    8. Интересно, а для чего два входа микрофона?
      Нравится +1 Не нравится
      1. Попадались схемы сдвоенных микрофонов, у которых в итоге один общий выход
        https://vrtp.ru/index.php?act=categories&CODE=article&article=1261
        http://dedclub.blogspot.com/2018/04/blog-post.html?m=1
        поэтому и спрашиваю.
        Нравится +1 Не нравится
Поиск статей и новостей:
Поиск товаров:
Главные новости:
ТОП товаров в магазине (еще)

    Обращались ли вы к дилеру по гарантийному случаю на Lada XRAY?


    Голосовать
Этот сайт использует cookie для хранения данных. Продолжая использовать сайт, Вы даете свое согласие на работу с этими файлами.