
В некоторых комплектациях Лада Веста (например, Люкс) внутри панели установлен дополнительный блок кузовной электроники (EMM или блок комфорта), который отвечает за работу габаритов, дневных ходовых огней (ДХО), а также дворников. При некоторых обстоятельствах во внешних выходных цепях блока EMM может произойти короткой замыкание, в результате чего источники света работать не будут. Разбираемся, что можно сделать в этом случае.
Где находятся центральный блок кузовной электроники (ЦБКЭ или BCM) и дополнительный блок кузовной электроники (EMM) показано на фото:

В дополнительном блоке кузовной электроники используются драйверы (vnq6004sa), которые имеют встроенную энергонезависимую память и электронную защиту от замыкания. После срабатывания электронной защиты драйвер управления освещением перестает подавать напряжение на контакты габаритов или ДХО до тех пор, пока не получит команду на разблокировку от контроллера.

Если самостоятельно команда не поступает, то есть возможность выполнить разблокировку EMM вручную при помощи специального сканера Grade-X (есть у дилеров LADA). После подключения прибора нужно найти соответствующие функции (освещения левого или правого борта) и установить соответствующие галочки. После чего выполняем сброс к заводским настройкам, и работоспособность габаритов с ДХО восстанавливается.
Блок EMM уходит в защиту. Чтобы разблокировать каналы следует:

По всей видимости, для разблокировки цепей в блоке EMM следует на 2-3 секунды подать 12 В на 3-й вывод колодки EMM. После чего сбросить ошибки сканером, причем это может быть не только сканер Grade-X. Предписание выложил один из пользователей www.lada-vesta.net.
Процесс разблокировки EMM также показан на видео:
Еще одно приложение:
По мнению elite83:
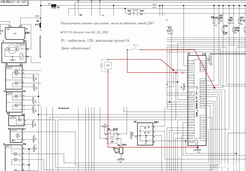
В некоторых случаях в результате короткого замыкания в дополнительном блоке кузовной электроники перегорают один или два канала (не работают габариты только с одной стороны, либо они не горят вообще). Восстановить работу блока EMM можно при помощи обычного реле, подключив его снаружи дополнительно блока кузовной электроники (прямо к проводам с разъемов этого блока):
Схемы для восстановления работы каналов дополнительного блока кузовной электроники, отвечающих за работу габаритных огней и ДХО:
Дополнение к схеме №1 (восстановление габаритов):
Дополнение к схеме №3 (восстановление правого ДХО):
Дополнение к схеме №4 (восстановление левого и правого ДХО):
Если не горит подсветка номерного знака и кнопки в салоне. Восстанавливайте сгоревший канал по схеме №1, только вместо d11 надо d24 восстанавливать. То есть меняем местами два провода S2-D11 и S2-D24, остальное все также. Другими словами, на контактную группу идут S2-D24 и P2-B2. А на катушку реле идут S2-D11 и P1-A10. D24 отсоединяем от EMM (подробней на 2-ой странице комментариев).
Внимание! Если замыкание произошло в результате установки светодиодов или в ходе установки нештатного оборудования (например, камеры заднего вида, подсветки салона и т.д.) с подключением в штатную проводку (нарушена заводская целостность проводки), то гарантия на дополнительный блок кузовной электроники не распространяется.
Если у вас не получилось самостоятельно разблокировать блок EMM, обратитесь за помощью к специалистам.
Читайте также «Все причины почему не работают габариты или ДХО на Лада Веста». Тут можно скачать технологическую инструкцию «Функциональное описание и диагностика системы EMM».
Фото: бортовой журнал Phantom70 и Клуб Лада Веста
Ключевые слова: передние фары лада веста | задние фонари лада веста | поворотники лада веста | подсветка салона лада веста | внешняя подсветка лада веста | предписание автоваза
Быстрая регистрация через соц.сети: