
На Lada Vesta и Lada Granta FL с мультимедийной системой EnjoY Pro используется сдвоенный микрофон с функцией шумоподавления. Он обеспечивает качественную связь, минимизируя звуки дороги и двигателя автомобиля. Разбираемся, как установить новый микрофон на автомобили без новой ММС EnjoY Pro.
Инструкцией по установке поделился владелец Весты (nistrilok), подключив микрофон к мультимедийной системе Teyes (к заранее сделанному разъёму от китайской петлички).
Где купить: в нашем интернет-магазине (категория Enjoy Pro).
1. Делаем шаблон по держателю микрофона и размечаем вырез в потолке. Вырезаем отверстие канцелярским ножом.
2. Снимаем поручень и солнцезащитный козырек, чтобы проложить провода до микрофона. Фиксируем держатель микрофона под обивкой потолка.
3. Подключаем микрофон к разъемы и защелкиваем в держателе.
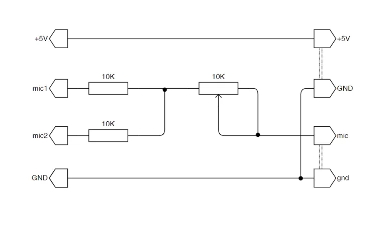
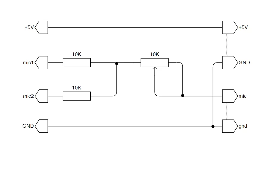
Микрофон имеет 4 вывода: 2 канала (по одному на каждый микрофон), общий минус (он же экран) и питание +5В. Звуковые каналы микрофона следует свести в моно через резисторы 10 кОм. А подключение к ММС вести через регулятор громкости (переменный резистор 10- 5 кОм), иначе будет слишком сильный сигнал. См. примеры подключения микрофона на Lada Vesta и на Lada Largus/XRAY.
отзывается о новом микрофоне автор доработки.
Пример установки на ММС Teyes (автор peresypkin95):
Другие доработки:
Ключевые слова: магнитола лада веста | магнитола lada xray | магнитола лада гранта | магнитола лада калина | магнитола лада приора | магнитола лада ларгус | магнитола нива | магнитола 4х4 | универсальная статья
Быстрая регистрация через соц.сети: