
Помните, как работает подогрев ветрового стекла на Лада Веста и XRAY? Он включается вместе с обогревом заднего стекла, подогревом наружных зеркал и устанавливается максимальная скорость вентилятора печки. Если такой режим работы вас не устраивает, вы можете сделать включение обогрева лобового стекла отдельной кнопкой.
Внимание! Способ работает только на Lada Vesta.
Чтобы включить обогрев ветрового стекла без максимального обдува стекол следует включить режим «Defrost MAX» (кнопка №24), а затем одновременно нажать на кнопки №24 и №21. В результате обогрев лобового стекла будет работать, а вентилятор климатической системы останется работать с прежней скоростью.

Порядок действией также показан на видео:
Внимание! Все действия вы выполняете на свой страх и риск. Автор ответственности не несет.
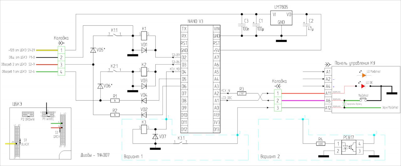
Потребуется: установить дополнительную нефиксируемую кнопку в панель автомобиля (либо купить блок с пятью кнопками), реле с двумя группами переключающих контактов, диоды 1N4007 и транзистор.
Блок управления печкой (отопителем) и кондиционером (САУКУ) снимать и разбирать не потребуется. Сигнал о нажатии кнопки включения обогрева дублируется на входе центрального блока кузовной электроники (ЦБКЭ или BCM, находится под бардачком), на контакте разъема S1-14. Выполняем подключение нефиксируемой кнопки по схеме:

Описание схемы: При нажатии кнопки, низким уровнем на выводе S1-14 активируется штатный обогрев всего ЦБКЭ и одновременно срабатывает реле благодаря подхвату транзистором на время, определяемое емкостью конденсатора. Через 3-4 секунды на выводе S1-34 появляется низкий уровень и фиксирует реле во включенном состоянии на время, заложенное в ЦБКЭ (6 минут). Реле отключает обогрев зеркал и заднего стекла, оставляя только лобовое.
В итоге, при нажатии дополнительной кнопки загорается индикатор штатной кнопки и включается только подогрев лобового стекла. Через 6 минут он отключается самостоятельно.
Работа схемы на видео:
Теперь появляется возможность подключить только обогрев лобового стекла к дополнительному каналу сигнализации.
Купить готовый комплект можно тут.
Фото: бортовой журнал Phantom70
Ключевые слова: подогревы лада веста | стекла лада веста | печка лада веста | торпедо лада веста | подогревы lada xray | стекла lada xray | печка lada xray | торпедо lada xray
Быстрая регистрация через соц.сети: