
Не устраивает штатная магнитола Lada XRAY? Замените ее на более современную и функциональную магнитолу, которая работает на ОС Android. Установка нового головного устройства не вызовет проблем. Единственное, что придется доработать - это подключение Android магнитолы к кнопкам на руле, иначе они будут работать некорректно.
Итак, вы купили магнитолу на Android для Lada XRAY (она есть в нашей подборке товаров с Aliexpress). Вместе с ней вам прислали модуль управления магнитолой с мультируля, которая не совместима с отечественным автомобилем. Поэтому подключение придется выполнить своими руками, используя паяльник.
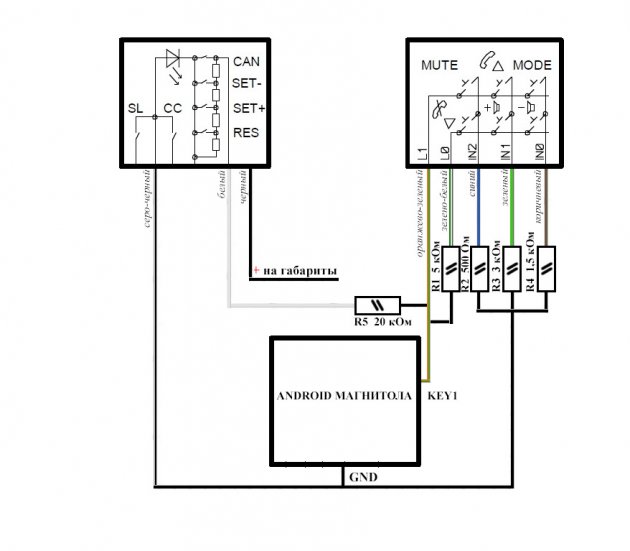
Схема подключения (зависит от типа/прошивки магнитолы, подбирать опытным путем):
Порядок действий: Из разъема с тыльной стороны Android магнитолы выходят провода KEY1, KEY2 и т.д. (называются steering wheel control — управление с рулевого колеса). Их необходимо подключить к разъему с кнопками на рулевом колесе. Чтобы не портить разъем, рекомендуется сделать ответную часть из двух разъемов Floppy диска ПК. Припаиваем резисторы нужного номинала, изолируем и подключаем к разъему, идущего от мультируля.
Теперь кнопки на руле можно настроить на любые функции через стандартную программу в магнитоле.
Напомним, ранее мы рассказывали, как сделать подсветку кнопок на руле Lada XRAY.
Фото: Platonoff86, Sobolev48 и Fedaikin48Rus
Ключевые слова: руль lada xray | магнитола lada xray
Быстрая регистрация через соц.сети: