
В некоторых комплектациях Lada Vesta обогрев ветрового стекла устанавливается с завода. Если этой «теплой» опции нет в вашем автомобиле, вы можете установить подогрев лобового стекла своими руками. В некоторых случаях это сделать совсем просто (без доработок), в некоторых при помощи установки дополнительных реле и модулей.
Автолюбители plos и raiven-tumen нашли несколько вариантов реализации подключения лобового стекла с обогревом на Весту:
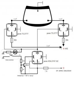
На последнем варианте более подробно.
Потребуется:
Если не найдется оригинальных разъемов реле и разъемов для предохранителя, тогда можно использовать любые разъемы для 4х контактного реле и разъем для предохранителей (1 MAXI и 1 mini) фирмы саrgen, артикул AX-479.
Порядок действий:
1. Установить лобовое стекло с обогревом.
2. Снять жабо. Для удобства прокладки провода лучше снять АКБ и короб воздушного фильтра.
3. Найти два разъема от лобового стекла для подключения силовой проводки.
4. Протянуть два провода сечением 4мм от монтажного блока к разъемам лобового стекла, протянув их через резиновый уплотнитель.
5. Концы проводки у лобового стекла обжать клеммами для подключения к лобовому стеклу. Клеммы вставить в разъем, провод завести в гофру и скрепить изолентой с другим проводами идущими в гофре.
6. Разъемы должны смотреть во внутрь, как на фото. Если разместить разъем с внешней стороны, то его будет задевать привод стеклоочистителя.
7. Вторые концы провода вытащить в монтажный блок и обжать их клеммами Лира 6,3мм. Они пойдут на контакты 30 силовых реле.
8. Подготовить два коротких провода сечением 4мм. Один конец обжать клеммой Лира 6,3мм (пойдет к контакту 87 на разъеме силового реле), а другой клеммой типа TE 1801431-1 (пойдет к контакту предохранителя на 30А).
9. Подключить обжатые провода к разъемам силовых реле по схеме.
10. Для предохранителя на 5А обжать провода малого сечения клеммами Лира 4,8 мм с одной и другой стороны. И подключить их к контактам 86 силовых реле с одной стороны и +12В в монтажном блоке с другой стороны
11. Если не найдется оригинальных разъемов реле и разъемов для предохранителя, тогда можно использовать любые разъемы для 4х контактного реле и разъем для предохранителей (1 MAXI и 1 mini) фирмы саrgen, артикул AX-479.
12. Подключение в монтажном блоке:
13. Вывести два провода малого сечения от контактов 85 силовых реле в салон. Там они будут подключены к двум белым проводам модуля управления обогревом.
14. В салоне к модулю обогрева подключить провода, как указано на фото. Провести к блоку кнопок два провода от модуля — для кнопки и для индикатора.
15. Размещаем модуль обогрева в салоне.
16. Заводим "массу", сам модуль фиксируем стяжкой.
Подключить АКБ, завести машину и проверить работу обогрева.
А вы будете устанавливать обогрев лобового стекла на Весту своими руками?
Читайте также:
Ключевые слова: подогревы лада веста | стекла лада веста
Быстрая регистрация через соц.сети: