Интеллектуальная противобуксовочная система LADA Ride Select может быть установлена на некоторые комплектации Lada Vesta NG. Этот "помощник" предусматривает 5 режимов движения («ESC ON», «Снег / Грязь», «Песок», «ESC OFF» и «SPORT»). А вы знали, что эту шайбу можно установить на Весту, у которого эта система не была предусмотрена с завода?
Внимание! Все действия выполняете на свой страх и риск!
Инструкцией поделился Pozia, который при помощи maxflomaster установил шайбу на свою Весту.
Для Lada Vesta старого поколения потребуется тоннель пола от Vesta NG.
Для Lada Vesta NG потребуется накладка, которая предусматривает установку шайбы.
1. Снять бардачок (инструкция для старой Весты и для новой Весты).
2. Найти за бардачком контроллер САУКУ.
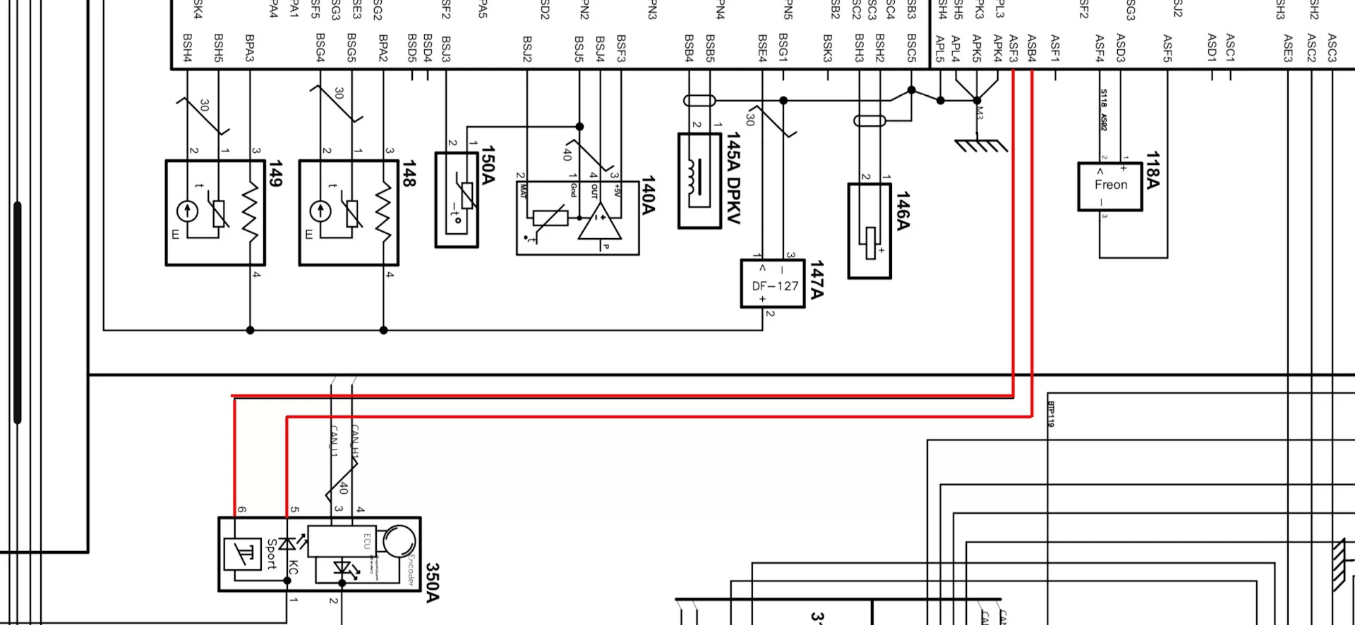
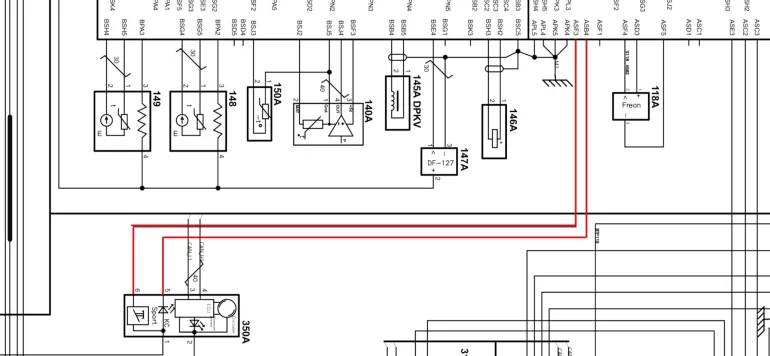
3. Выполнить подключение жгута проводов к черному разъему по схеме (см.ниже).
4. Включить зажигание. В случае успешного подключения будет моргание зеленой лампы на шайбе (шайба рабочая, но не видит нужной прошивки блока АБС).
5. Прошить блок АБС прошивкой от XRAY Cross с шайбой. В статье речь о Лада Веста с двигателем ВАЗ 21129 (1.6л) с МКП. По "железу" все Весты и Иксреи до 2022 года выпуска имеют один физический блок АБС, отличаются только версии прошивки.
Скачать прошивку:
После прошивки режимы должны переключаться, сопровождаясь соответствующей индикацией на шайбе.
На двигателей 1.6л некуда подключить режим SPORT (нет нужного входа в ЭБУ). На двигателей ВАЗ 21179 1.8л — можно.
Если не работает. Если шайба моргнет 5 раз зелёным светодиодом и потухнет оставив только подсветку. Значит шайба без конфигурации (новая, не прошитая). Процедура конфигурации выполняется у официального дилера LADA при помощи GradeX.
Внимание! Выполнить конфигурирование можно у специалистов в разных городах (см. Услуга по конфигурированию шайбы).
Испытания на видео:
Читайте также:
Ключевые слова: lada ride select | безопасность лада веста
Быстрая регистрация через соц.сети:
