
Обогрев ветрового стекла с завода устанавливается не на все комплектации Lada XRAY. Однако владельцы этого автомобиля нашли способ подключить лобовое стекло с подогревом своими руками. Разбираемся в стоимости и сложности доработки.
Инструкцию по подключению выложил svha1983.
Потребуется:
Процесс снятия и установки лобового стекла найдете тут.
Порядок подключения:
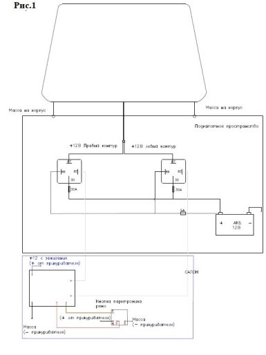
1. Минусовые клеммы стекла обоих контуров прикручиваем к болтам на кузове (гайки с анкеров 8мм). Для предотвращения перетирания шлейфов, острые кромки рекомендуется проклеить изолентой (все три шлейфа).
2. Разъёма для подключения питания не нашлось, пришлос резать и паять. Места спайки изолировали термоусадкой, изолентой и вторым слоем термоусадки. Обе спайки одели в змеиную кожу (была на шлейфе питания стекла), провода одели в гофру.
3. Проложить провода в подкапотное пространство через резиновую заглушку в центральной части. Два белых провода с рис.6, идут к колодке реле в места контакта 87 силового реле схемы рис.1.
4. Два куска провода сечением 4 мм обжимаются с одной стороны лирой 6.3, с другой клеммой под предохранитель Макси и вставляются соответственно лирой в колодку силовых реле 30му контакту, вторым концом в колодку предохранителей.
5. Изготавливается проводка питания реле, из монтажного провода сечением 5-1 мм. Одну сторону двух проводов обжимаем клеммой лира 6.3 она пойдет на колодку реле под контакт 86, два других конца объединив обжимаем клеммой лира 4.8 мм. Этот конец идет в гнездо свободной ячейки под мини предохранитель.
6. Из кабеля того же сечения изготавливаем проводку от Мини предохранителя на плюс аккумулятора. Одна сторона соответственно обжата лирой 4.8 мм, вторая клеммой на "+" аккумулятора в монтажном блоке.
7. Провод управления обоих реле (малого сечения 0,5 — 1мм), с одной стороны обжимается лирой 6.3 мм. и монтируется в колодку реле в места контактов 85, второй конец проводов заводится в салон, они пойдут на два белых провода модуля управления подогревом (он ставится исключительно в салоне, нет защиты от грязи и влаги)
8. Модуль было решено монтировать в районе прикуривателя, так как там есть подходящая по размеру ниша.
9. Два провода с контактов реле 85 в произвольном порядке припаиваем к белым проводам модуля
10. Черный провод с платы это минус, голубой +12В от зажигания, эти два провода объединяем с питанием кнопки парктроника. Контакт 8 это "+" и контакт 5 - это масса. Подключаем их на проводку питания прикуривателя.
11. В разъем кнопки парктроника в место пина 4 подключается коричневый провод с платы, в место пина 7 (красный).
Схема подключения:
А вы будете самостоятельно устанавливать лобовое стекло с подогревом на Lada XRAY?
Читайте также:
Ключевые слова: стекла lada xray | подогревы lada xray
Быстрая регистрация через соц.сети: