
Один из популярных аксессуаров среди автолюбителей является доводчик стекол. Этот блок позволяет автоматически поднимать стекла при закрытии замков дверей. Рассмотрим особенности самостоятельной установки и подключения доводчика на Lada XRAY.
Внимание! Доводчики имеют разные схемы подключения, поэтому внимательно сравнивайте схему подключения. Все действия вы выполняете на свой страх и риск.
В данной инструкции используется доводчик стекол Pandora DWM-502 (другие модели можно найти в каталоге AliExpress или в нашем магазине, в категории Доводчики XRAY).
Для работы доводчика стекол необходимо наличие постоянного питания в двери автомобиля, выхода два:
Устанавливается доводчик в левую переднюю дверь. Для этого потребуется снять обшивку, а также снять динамик (высверлить клепки).

Основные точки подключения можно найти в колодке кнопок управления электростеклоподъемниками (ЭСП) в двери:
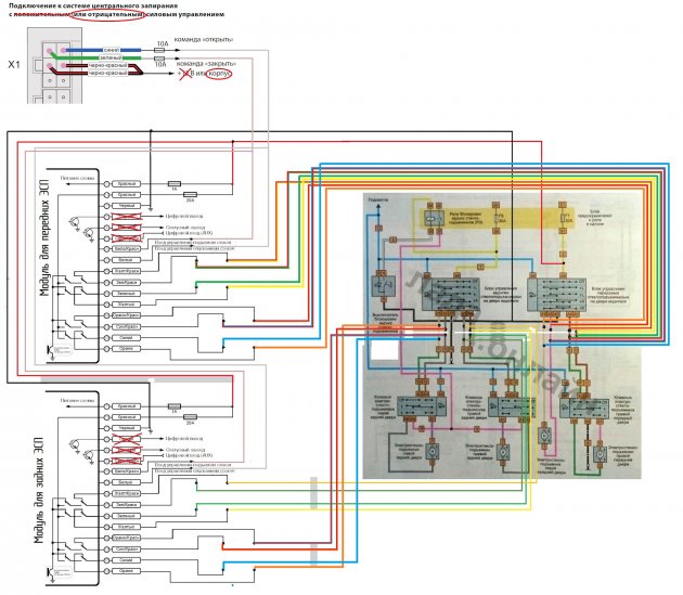
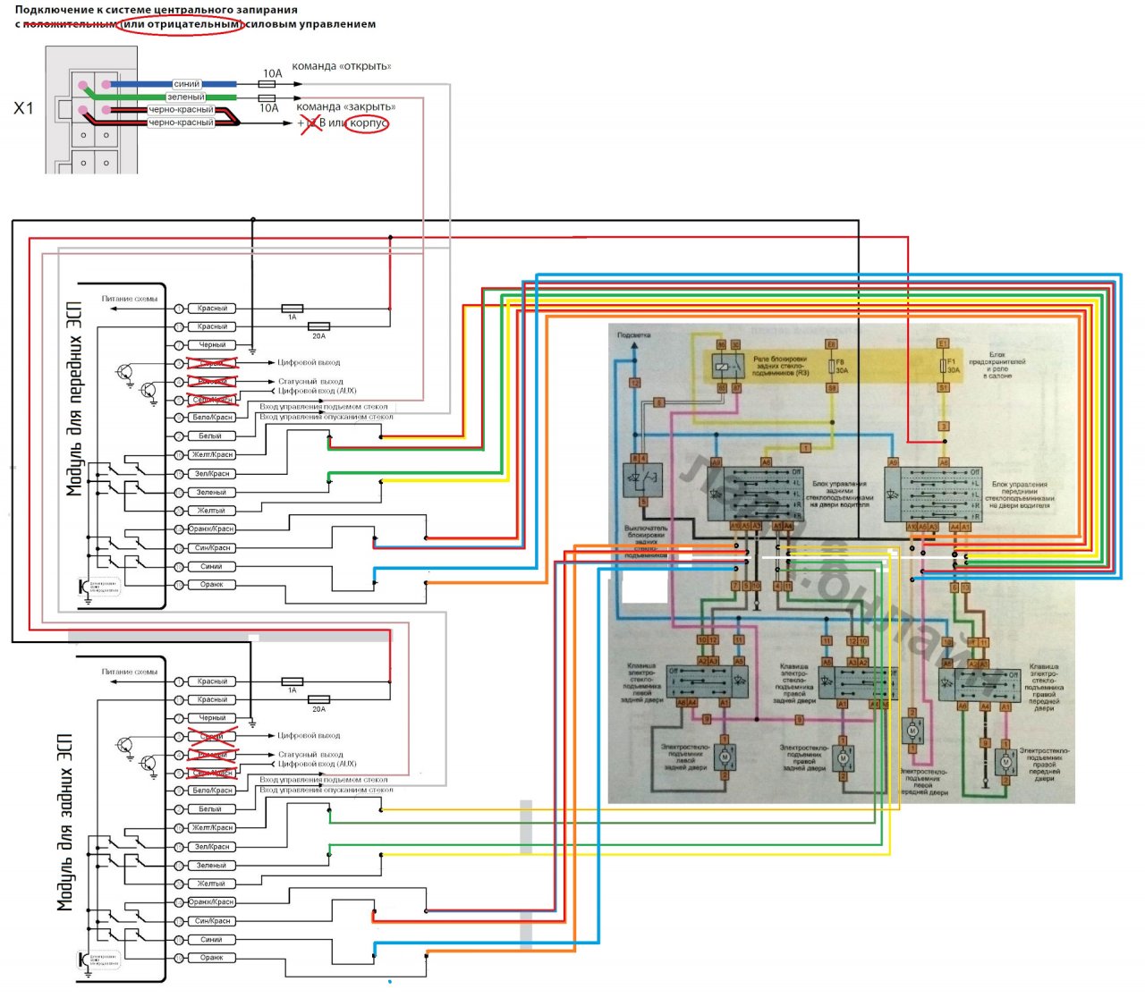
Штатная схема подключения Pandora DWM-502:

В дверях кроссовера управление ЭСП осуществляется по подаче «минуса». А Pandora DWM-502 управляет ЭСП по «плюсу». Изменить полярность можно одним из способов:
Либо сделать управление по плюсу, подключаясь к контакту №9 (желтый провод) на замке водительской двери:

Повлияет ли установка доводчика своими руками на гарантию? Дилер может отказать в гарантийном обслуживании только в том случае, если экспертиза покажет, что поломка произошла по вашей вине. Но никаких гарантийных обязательств со всех остальных частей автомобиля это не снимает. Более подробно про гарантию тут.
См. также инструкцию по установке твитеров (пищалок) на Lada XRAY.
Ключевые слова: двери lada xray | стекла lada xray | стеклоподъемники лада xray
Быстрая регистрация через соц.сети: