
Электростеклоподъемники (ЭСП) на Лада Ларгус и XRAY работают только при включенном зажигании. В статье рассмотрим несколько способов доработки ЭСП, которые позволят им функционировать постоянно, вне зависимости от наличия ключа в замке зажигания. Перед началом работы не забудьте отсоединить минусовую клемму с аккумулятора.
Потребуется купить колодку с предохранителем 30А. К одному концу провода припаиваем ножку от большого предохранителя, а к другому - от маленького (если требуется, чтобы задние ЭСП тоже работали без зажигания, тогда этот конец должен быть раздвоенный).
Для Лада Ларгус:
Более грамотно и безопасно использовать специальный переходник «Mini ATM Fuse Tap». Используя его мы исключаем ненадежные соединения (вставленный провод в разъем предохранителя).

После завершения работ убедитесь, что после такой доработки при выключенном зажигании нет тока утечки. В противном случае аккумулятор быстро сядет. Результат проделанной работы на видео:
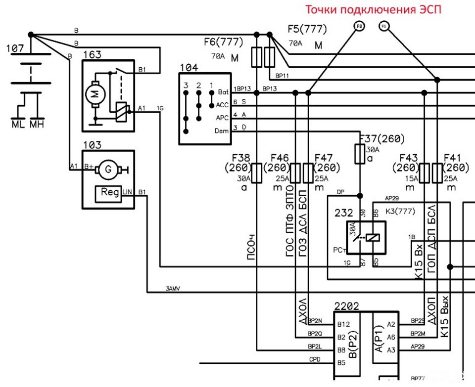
Для Lada XRAY метод №1:
На фото доработка только передних ЭСП:
Для Lada XRAY метод №2:
Процесс показан на автомобиле Лада Ларгус. Первым делом следует снять монтажный блок:
Далее переходим к доработке монтажного блока:




На фото показано подключение ЭСП на плюс от АСС, для этого соединяем красный провод с желтым.

Если необходимо подключить стеклоподъемники к плюсу от АКБ, тогда соединяем не с желтым, а красным проводом (на фото показано назначение проводов в монтажном блоке Ларгуса).

Осталось установить на место серый фиксатор, уложить провода, установить в обратной последовательности монтажный блок и вернуть на место предохранители F13 - F16.
А какой способ доработки ЭСП Ларгуса лучше выбрать? И вообще, стоит ли переделывать подключение стеклоподъемников? Оставляйте свои отзывы и участвуйте в опросе. Напомним, сделать управление магнитолой более удобной можно при помощи подрулевого джойстика, а поездку пассажиров более комфортной, опустив спинку задних сидений.
Фото: бортовой журнал oapv и DENZELKRYLOFF
Ключевые слова: стеклоподъемники лада ларгус | стекла лада ларгус | стеклоподъемники лада xray | стекла lada xray
Быстрая регистрация через соц.сети: