
Доброго времени всем... Такая ситуация приключилась со мной и моим автомобилем Lada Granta.
Было морозно. Помыл кузов. Выехал с мойки из под капота парило очень сильно, вода попала туда хорошо. Через минут пять в движении скаканули обороты до 2000 и не опускались... Заглушил... Машина минут 20 простояла выключенная. Завелась нормально, обороты стабильно.
Через десять минут при движении заглох двигатель, и больше не заводил я, маслает а не с хватывает. На ремне довезли до дома. Утром, морозно, пришёл завёл с пол оборота. Только машина прогрелась до 70 градусов двигатель на ходу заглох. Весь день потом не мог завести.
В этот день поменял бензонасос, фильтр, датчик коленвала... Все равно не заводится и все...
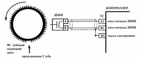
На следующий день МОРОЗНО!!! Пришёл завёл с пол оборота... И опять прогрелась, даже вентиль сработал один раз, и заглохла... И опять не заводится...подключил систему распознавания ошибок показывает P0335...
На следующий день опять утром МОРОЗНО!!! Опять без проблем завёл... Поработала на холостом минут 10, набрала температуру 80 гр. и заглохла... И снова показывает ошибку P0335...может кто то сталкивался с подобным... Подскажите не опытному...
Также решаем эту проблему:
Быстрая регистрация через соц.сети: