
В максимальной комплектации Lada XRAY в салоне установлена мультимедийная система (ММС или Media Nav Evolution) с 7'' цветным дисплеем с TouchScreen и навигацией. Данная аудиосистема досталась кроссоверу от Renault и имеет большие функциональные возможности. Разбираемся, на что способна штатная ММС XRAY и какие о ней отзывы.
Начнем с того, что магнитола размещается в верхней части панели, что очень удобно. Удачным оказался и угол наклона, это позволяет считывать информацию с дисплея без затруднений. Экран размером 7'' на максимальной яркости позволяет без проблем читать информацию даже в солнечный день.
Все возможности магнитолы представлены на главном меню в виде больших шести кнопок:

Переключение между режимами магнитолы происходит быстро, без зависаний.
Останавливаться подробно на каждом пункте меню не будем, изучить ММС в деталях вы можете из руководства пользователя . Мы расскажем о том, чего в этой инструкции нет.
1. Штатная мультимедийная система имеет достойный звук, об этом свидетельствуют многочисленные отзывы владельцев. За качественное звучание отвечает не только головное устройство, но и 6 динамиков (в дверях и твиттеры в стойках ветрового стекла). Слушать музыку приятно не только в городском потоке, но и на скорости 120-140 км/ч. Трудно передать качество звука через камеру, но многие пробуют:
2. Стоит отметить штатную антенну, которая позволяет поймать радиостанции, которые вне зоны досягаемости для других автомобилей.
3. Мультимедийная система имеет интуитивно понятное меню, большие кнопки (пальцем не промажешь) и широкие настройки. Например, есть возможность установить изменение уровня звука в зависимости от скорости автомобиля. Имеется настройка низких/средних/высоких частот, что позволяет настроить звучание под себя. Можно менять громкость голоса навигатора, телефона, звонка.
4. Через разъем USB можно не только слушать музыку, но обновить карты навигатора или систему.
5. Стабильная работа. За месяц магнитола ни разу не зависла.
1. В отличии от мультимедийных систем Лада (Гранта/Калина/Приора) на ММС XRAY нет возможности воспроизводить видео файлы.
2. Также у магнитолы отсутствуют привычные всем круглые регуляторы громкости. Чтобы увеличить или уменьшить звук приходится нажимать на кнопки.
3. Мультируль позволяет управлять громкостью магнитолы, но нет кнопок переключения треков (предыдущий, следующий), для этого приходится тянуться рукой до экрана ММС (как решить проблему).

4. Чтение USB устройств происходит быстро, но флеш-накопитель должен иметь формат FAT32 и максимальный объем памяти 32Gb.
5. Штатная навигационная программа на XRAY - IGO. Она в некоторых местах может подтормаживать. Например, заметные подвисания есть при вводе адреса назначения или во время перемещения карты по экрану пальцем. Увеличить или уменьшить масштаб карты двумя пальцами не получится (нет мультитача), приходится нажимать на кнопки.

6. Нет возможности использовать SD-карты.
Также оценить возможности штатной магнитолы XRAY можно по видео обзору:
В целом ММС XRAY оставляет положительные впечатления, недостатки есть, но они не такие значимые. А какие отзывы о мультимедийной системе можете оставить вы? Являются ли минусы такими значимыми?
Аудио - Возможность подключения четырех динамиков, технология улучшения звука Arkamys
Видео - Дисплей Innolux 800*480 пикселов, резистивный тачскрин
Процессор - MIPS Au1320 667 Мгц
Оперативная память - 256 Мб DDR2
Встроенная память - 4 Гб
Мультимедийная часть - FM\AM-радио, Аудиоплеер с поддержкой mp3 и wma, Возможность проигрывания музыки по Bluetooth
Штатная навигационная программа - Специализированная версия Igo Primo
Bluetooth - производитель неизвестен, поддерживается режим hands-free, bluetooth стерео, есть возможность получения записной книжки с большинства мобильных телефонов.
Миркофон и аудивход - Встроенный. Возможность подключения внешнего микрофона в процессе раскопок. Имеется стереовход AUX на лицевой панели
Камера заднего вида - Официально не подключается, однако раскопки показывают наличие всего необходимого. Видеовход программно блокирован. Как только сломаю программную блокировку видеовхода – эта строка изменится.
Поддерживаемые типы накопителей - USB Flash до 32 Гб, некоторые USB DVD-приводы
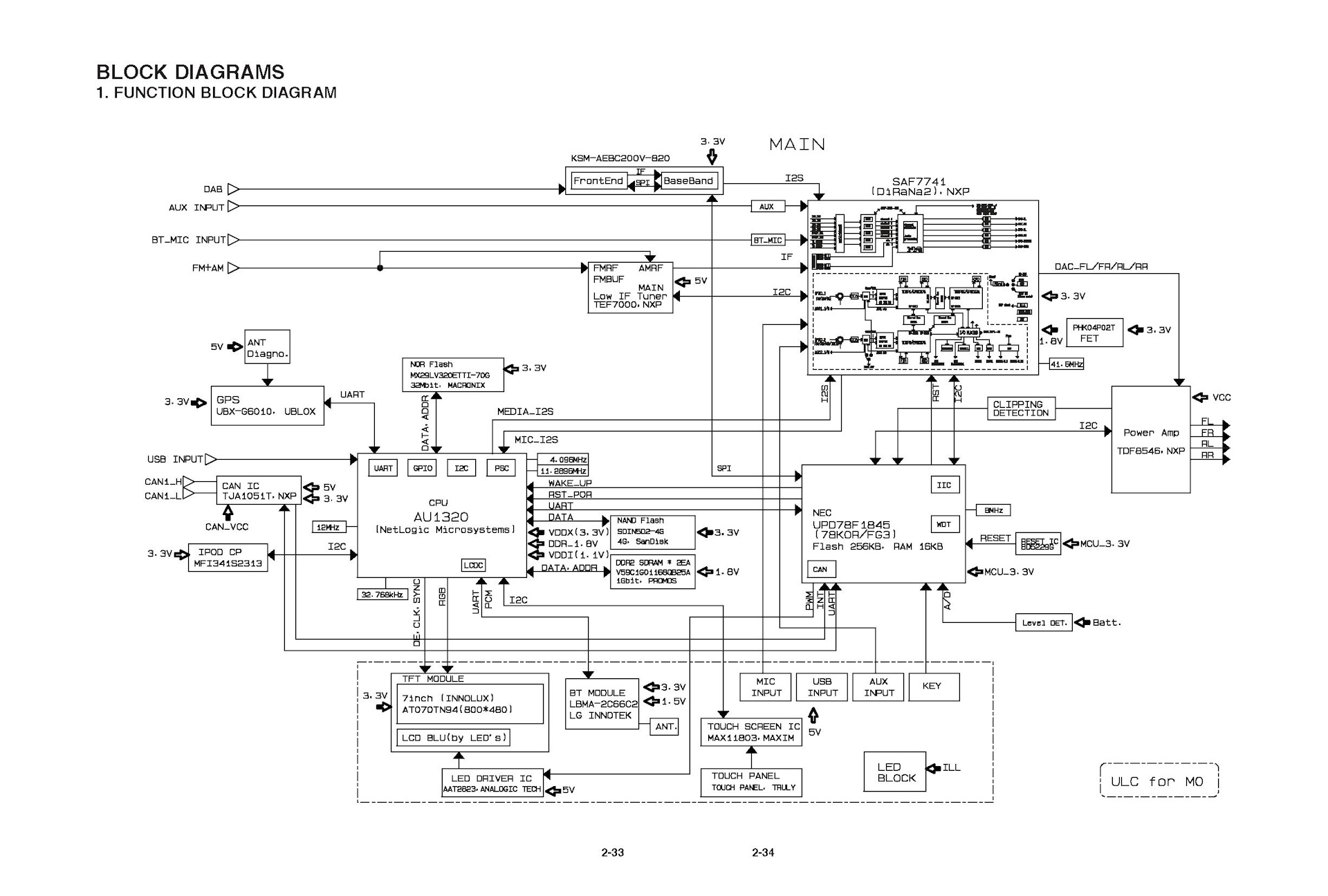
ММС MediaNAV оснащено усилителем TDF8546 (источник)
Отличительные особенности:
Кстати, а вы знаете, что на штатной ММС XRAY можно смотреть видео, использовать интернет, подключить камеру заднего вида и пользоваться другими навигационными программами? Для расширения возможностей магнитолы ее нужно прошить.
Напомним, другие недостатки кроссовера можно устранить при помощи доработок.
Ключевые слова: магнитола lada xray | торпедо lada xray
Быстрая регистрация через соц.сети: