
В ходе регулярного мониторинга цен и комплектаций автомобилей LADA сайту Лада.Онлайн удалось выяснить, что в конце марта АВТОВАЗ пересмотрел все модификации Lada Vesta. В частности, из списка опций исчезла «Охранная сигнализация», которая ранее устанавливалась на все комплектации Вест.
Мы обратились с вопросом на АВТОВАЗ, что означает исключение охранной сигнализации из списка опций всех комплектаций Весты. Нам ответили:
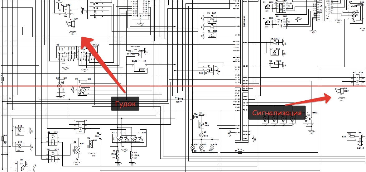
Функция «Охранная сигнализация» была выведена из состава из всех автомобилей семейства LADA Vesta.
На автомобили производства ПАО ''АВТОВАЗ'' устанавливается штатная противоугонная система, в которую входит иммобилайзер и сигнализация с дистанционным управлением без обратной связи, которая использует штатный сигнал автомобиля, а не выделенный громкоговоритель.
Иммобилайзер (Иммобилизатор) (англ. immobiliser — «обездвиживатель») — вид электронного противоугонного устройства. Большинство современных автомобилей имеет штатный иммобилайзер, устанавливаемый автопроизводителем. В штатном иммобилайзере блокировка производится без помощи реле. Само устройство физически и программно связано с контроллером впрыска двигателя, поэтому при отсутствии разрешающего сигнала, контроллер сам не будет инициировать запуск и поддержание работы двигателя. Другими словами, блокирование происходит не физически, а программно самой системой контроля двигателя.
Под понятием ''охранная сигнализация'' понимается штатная система оповещения о несанкционированном доступе в салон автомобиля (автомобиль поставлен в режим охраны), сигнализация незакрытых дверей при постановке автомобиля в режим охраны, сигнализация не выключенных габаритных огней.
Не будет системы оповещения о несанкционированном доступе в салон автомобиля.
Сигнализации незакрытых дверей при постановке автомобиля в режим охраны не было представлено. Если не закрыта какая-то дверь, то машина просто не встает на охрану, звукового сопровождения нет.
Сигнализация не выключенных габаритных огней сохранится.
Ранее мы писали, что на Lada Vesta SW Cross Comfort перестали устанавливать двойной пол в багажнике и начали ставить фетровые подкрылки.
Быстрая регистрация через соц.сети: