
Решение любой проблемы, которая связана с электрооборудованием автомобиля, начинается с проверки предохранителей. Они вместе с реле располагаются в монтажных блоках (блок предохранителей и черный ящик) салона или моторного отсека.
В списках указан полный набор предохранителей и реле, учитывающий все комплектации автомобиля. В более простых вариантах исполнения отдельные реле и предохранители из данного набора могут не использоваться.
Находится монтажный блок в знакомом месте - возле левой ноги водителя. Чтобы получить доступ к реле и предохранителям следует:

1. Из руководства по эксплуатации автомобилем
Предохранители:




Реле

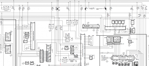
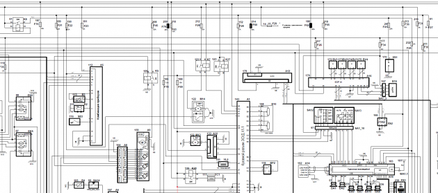
2. Из книги по ремонту

Схема предохранителей (Предохранитель, Номинал, Цепь, Назначение, Тип предохранителя)
Схема реле:
| № реле (сила тока, А) | Наименование реле |
|---|---|
| К1 (70А*1/50А*2), цепь К15R | Питание светотехники и обогрева сидений (не люкс/ люкс) |
| К2 (30А) | Свободен |
| К3 (30А) | Обогрев заднего стекла |
| К4 (30А) | Стеклоподъемники передних стекол |
| К5 (40А) | Вентилятор отопителя салона |
| К6 (30А) | Стеклоподъемник задних стекол |
| К7 (20А) | Модуль бензонасоса |
| К8 (20А) | АСС (питание розетки 12В) |
*1 - для комплектаций Classic и Comfort
*2 - для комплектаций Luxe

1. Из руководства по эксплуатации автомобилем:

Предохранители:


Реле:

2. Из книги по ремонту:

Схема предохранителей:
| № предохранителя (сила тока, А) | Цвет предохранителя | Защищаемая электрическая цепь |
|---|---|---|
| F60 (70 A) | Розовый | Электроусилитель рулевого управления (ЭУР) |
| F61 (30 A) | Зеленый | Обогреватель заднего стекла |
| F62 (40 A) | Оранжевый | Контроллер системы курсовой устойчивости (ESP) |
| F63 (15 A) | Синий | Кондиционер |
| F64 (5 А) | Светло-коричневый | Не используется |
| F65 (25 A) | Белый | Контроллер системы курсовой устойчивости (ESP) |
| F66 (5 A) | Светло-коричневый | Роботизированная коробка передач (АМТ) |
| F67 (-) | - | Не используется |
| F68 (70 A) | Розовый | Роботизированная коробка передач (АМТ) |
| F69 (15 A) | Синий | Кондиционер |
| F70 (60 A) | Синий | Цепи питания предохранителей F4, 6, 7, 8, 12, 13, 14, 23, 26, 29, 31, 36, 37, 38, 42, 43, 44, 45, 47, 48, 49, 50 монтажного блока в салоне |
| F71 (60 A) | Синий | Генератор |
| F72 (60 A) | Синий | |
| F73 (10 A) | Красный | Звуковой сигнал |
| F74 (5 A) | Светло-коричневый | Выключатель света заднего хода |
| F75 (60 A) | Синий | Обогрев ветрового стекла |
| F76 (10 A) | Красный | Противоугонная сигнализация |
| F77 (-) | - | Не используется |
| F78 (7,5 A) | Коричневый | Клапана продувки адсорбера, датчики системы управления двигателем (датчиков кислорода, клапана ГРМ) |
| F79 (40 A) | Оранжевый | Электровентилятор охлаждения двигателя |
| F80 (5 A) | Светло-коричневый | Обогрев ветрового стекла |
| F81 (-) | Синий | Не используется |
| F82 (-) | Синий | Не используется |
Схема реле:
| № реле (cила тока, А) | Наименование реле |
|---|---|
| К21 (30А) | Реле обогрева ветрового стекла 1 |
| К22 (30А) | Реле обогрева ветрового стекла 2 |
| К23 (30А) | Реле стартера |
| К24 (20А) | Реле звукового сигнала |
| К25 (20А) | Реле тревожного звукового сигнала |
| К26 (-) | Не используется |
| К27 (20А) | Главное реле ЭСУД |
| К28 (20А) | Реле муфты компрессора кондиционера |
1. Дополнительная информация о предохранителях и реле: (автор unnown):
Перед заменой предохранителя следует сначала определить причину его перегорания. Завод-изготовитель не допускает применение предохранителей, отличающихся по номиналу силы тока от рекомендуемых в таблицах ниже. Это может привести к неисправностям в работе электрооборудования Весты, коротким замыканиям и даже возгоранию автомобиля!
2. Монтажный блок Lada Vesta Comfort Image (автор bartollomey):
Внимание! Схема реле и предохранителей может отличаться в зависимости от комплектации и даты выпуска автомобиля. Актуальные схемы монтажного блока представлены в руководстве по эксплуатации на дату выпуска автомобиля (скачать руководство).
Где купить: в нашем интернет-магазине (категория Реле и предохранители Lada Vesta).
Ключевые слова: монтажный блок лада веста
Быстрая регистрация через соц.сети: