0 товаров – 0
Ваша корзина пуста

    Как установить штатную систему контроля слепых зон (BSW) на Lada Vesta NG

     25 июля 2025  Лада.Онлайн    3 536    2      

    В некоторых комплектациях Lada Vesta NG оснащается с завода системой контроля слепых зон (КСЗ / BSW). Она помогает осуществлять безопасное маневрирование во время движения, оповещая о присутствии другого автомобиля в невидимых для него зонах. При появлении в «слепой» зоне другой машины в правом или левом зеркале загорается красная точка. А вы знаете, как дооснастить этой системой более простые версии автомобиля?

    Во всей ситуации с дооснащением Vesta NG парктрониками помог разобраться maxflomaster.

    Потребуется

    1. Датчики парковки 12шт. Именно такое количество должно быть установлено в переднем и заднем бамперах автомобиля. Если в вашем автомобиле их меньше 12 или вообще нет, тогда установить их можете по этой инструкции.

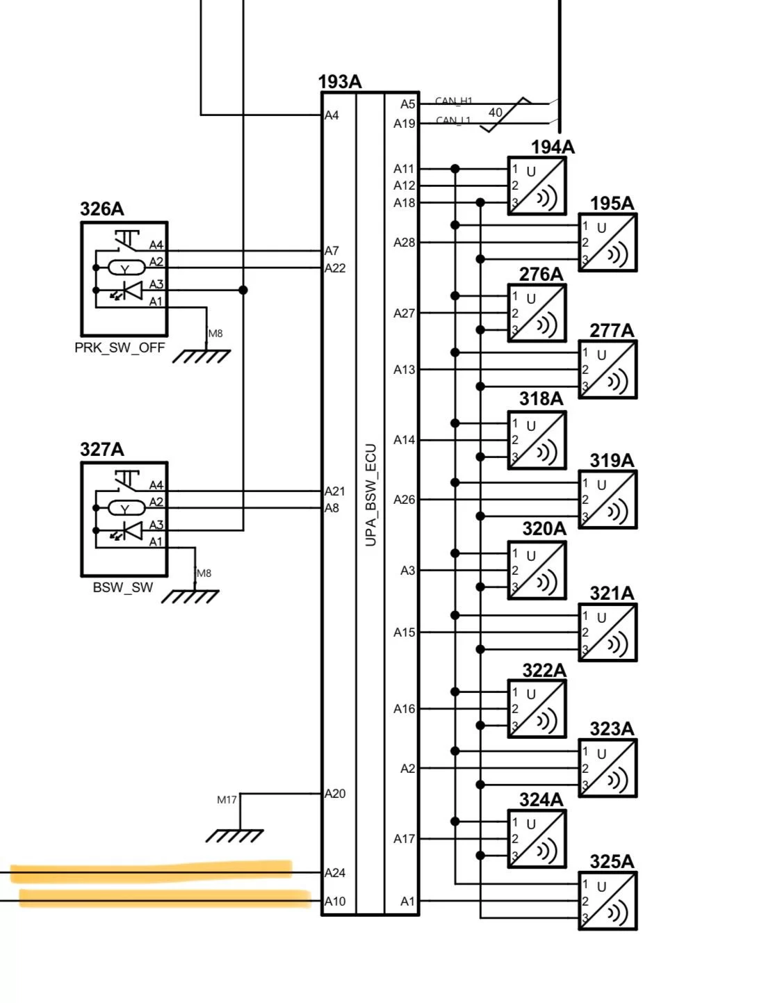
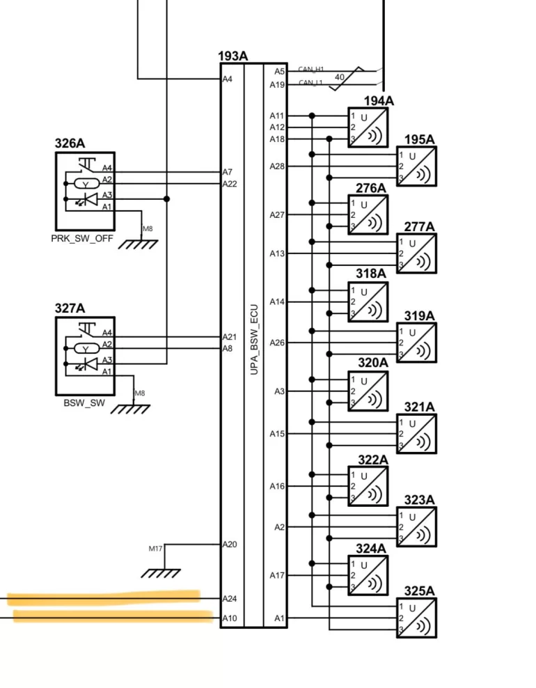
    2. Блок управления парктроника и сигнализации с функцией диагностики, который устанавливается в багажном отделении слева под обивкой. Должен быть установлен блок с артикулом 8450040636 или 8450043876, именно они могут работать в режиме 12 датчиков парковки.

    3. Кнопка мониторинга слепых зон (артикул 8450040657)

    4. Зеркальный элемент с индикатором мертвых зон (артикулы 8460008991; 8460008992;)

    Установка и подключение

    1. Заменить зеркальные элементы на новые с индикаторами (инструкция).

    2. Установить кнопку вместо заглушки.

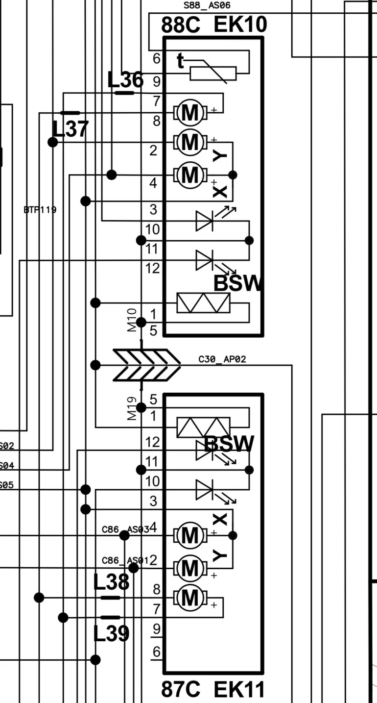
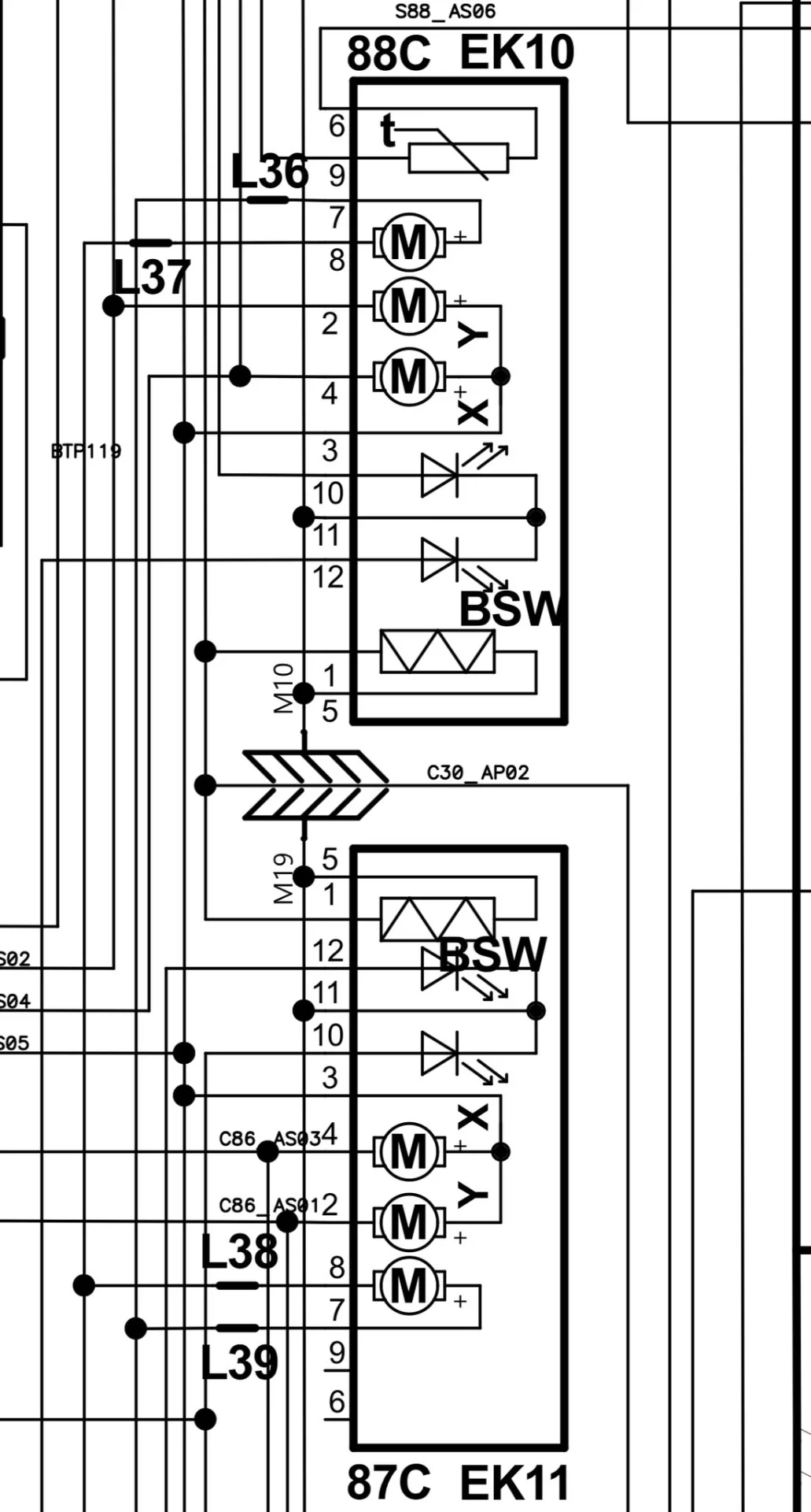
    3. Подключить индикацию по схеме:

    На разъемах зеркал 12 и 11 контакты индикации (11 — общая масса с указателем поворота)

    На блоке 24 и 10 (плюс левого индикатора и плюс правого индикатора)

    4. Выполнить конфигурирование блока управления парктроника и сигнализации. Дилерские центры LADA в этом не заинтересованы. Из независимых специалистов прошивкой блоков парктроника занимается Turbomotor-412.

    Если считаете установку штатной системы мониторинга слепых зон слишком сложной, тогда можете попробовать дооснастить свой автомобиль универсальным комплектом.

    Читайте также:

    Ключевые слова: безопасность лада веста | боковые зеркала лада веста

    Поделиться в социальных сетях:

    Готовы ли вы установить систему контроля слепых зон по заводу?


    Комментарии

    Гости не могут оставлять комментарии в новостях, пожалуйста авторизируйтесь.
    1. Слишком сложно, да и стоит это 100500 по прайсам лады.

      Проще китайские и лучше купить с камерами итд.

      Нравится +5 Не нравится
    2. Лампочка по цене почки, ну-ну, я бы начал с усилителей в бампера. Можно вообще статью о безопасности автомобиля комплектации СТАНДАРТ в сравнении с конкурентами, хотя и официальных конкурентов сейчас автомобилями назвать сложно.

      Нравится +2 Не нравится
Поиск статей и новостей:
Поиск деталей:
Главные новости:
ТОП товаров в магазине (еще)

    Обращались ли вы к дилеру по гарантийному случаю на Лада Веста?


    Голосовать
Этот сайт использует cookie для хранения данных. Продолжая использовать сайт, Вы даете свое согласие на работу с этими файлами.