
Мультируль на Весте есть только в пакете опций Multimedia комплектаций Comfort и Luxe. Владельцам люксовых автомобилей повезло больше, т.к. на этих версиях машин есть частичная подготовка для подключения кнопок руля. Рассмотрим инструкцию по установке мультируля на Весту в более доступных комплектациях (Классик и Комфорт).
Проверяем, чтобы в подрулевом переключателе (улитка) был разъем для подключения колодки с проводами (фото №2 внизу), а также наличие серого пучка проводов, идущих в руль (фото №3 внизу). Для этого нужно снять верхнюю часть пластикового кожуха руля (фото №1 внизу), вывернув два винта Torx снизу. А затем в поиске серых проводов заглянуть между рулем и кожухом (либо снимать подушку безопасности):
Чем «Люкс» версия Весты отличается от «Классик» и «Комфорт»:
Перед началом работ отсоедините минусовую клемму аккумулятора.
Необходимо купить:
Для управления магнитолой:
Для управления круиз-контролем и ограничителем скорости:
Где купить? В нашем интернет-магазине (рули для Весты)
Меняем подрулевой переключатель.
Протягиваем три провода к ЭБУ через штатное отверстие над педалями (блок находится в моторном отсеке) и вставляем их в колодку.
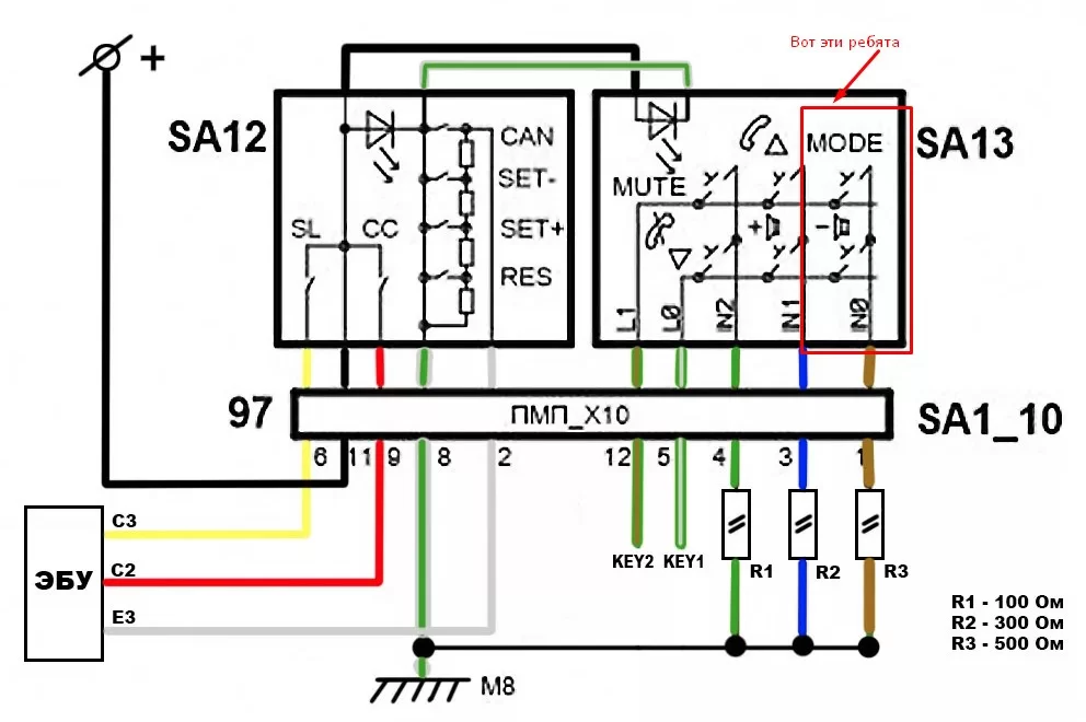
Подключаем провода по схеме:

| Колодка на улитке | Колодка ЭБУ |
|---|---|
| 6 | C3 |
| 9 | C2 |
| 2 | E3 |
Если разъемы C2, C3 и E3 уже заняты, значит провода уже проложены с завода. Переходим к следующему шагу.
На 11 контакт колодки должно приходить 12 В.
[media=https://www.youtube.com/watch?v=_01rJSxsvgw]
Дополняем колодку с проводами круиз-контроля проводами для управления магнитолой и вставляем в улитку. Тянем провода до магнитолы и подключаем в разъем mini-ISO синего цвета. Все по схеме:
Если используется не штатная магнитола Весты, тогда придется сделать переходник под конкретную модель аудиосистемы.

В итоге, при помощи кнопок на руле Весты можно будет управлять магнитолой, круиз-контролем и ограничителем скорости, также будет работать подсветка кнопок. Единственное отличие от штатной реализации в том, что на комбинации приборов не будет индикации работы круиз-контроля. Для этого нужно ее прошить или активировать через ELM327. Кстати, во время теста панели обратите внимание на индикаторы круиз-контроля (значки в колодце спидометра около 140 и 160 км/ч), если они горят, значит прошивка подходящая.
Вот индикация круиз-контроля на Весте у которой мультируль идет с завода:
Напомним, пакет опций «Мультимедиа» включает в себя не только наличие мультируля, но и камеры заднего вида. Как подключить камеру к мультимедийной системе мы рассматривали ранее. Кстати, другой способ доработать Весту - установить противотуманные фары.
Фото: бортовой журнал vlad21074
Ключевые слова: руль лада веста | магнитола лада веста
Быстрая регистрация через соц.сети: